SM2082EDS是一款单通道LED线性恒流控制芯片,芯片使用本司专利的恒流设定和控制技术,输出电流由外接 Rext 电阻设置,最大电流可达 100mA,且输出电流不随芯片 OUT 端口电压而变化,具有较好的恒流性能。系统结构简单,外围元件极少,方案成本低。
SM2082EDS驱动芯片特点
本司专利的恒流控制技术
a) OUT 端口输出电流外置可调,最大电流可达 100mA
b) 芯片间输出电流偏差<± 4%
输入电压:120Vac/220Vac
支持可控硅调光应用电路
具有过温调节功能
芯片可与 LED 共用 PCB 板
线路简单、成本低廉
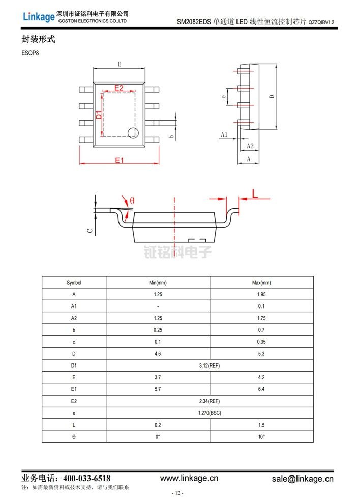
封装形式:ESOP8
SM2082EDS驱动芯片应用领域
灯丝灯,LED 球泡灯,筒灯等其它 LED 照明应用












Copyright © 2017-2021 hth官方网站 版权所有
QQ:41290014 电话:86 0755 2759 3052 E-mail:sale@linkage.cn
