SM7022pwm调光led恒流芯片是采用电流模式 PWM 控制方式的功率开关芯片,集成高压启动电路和高压功率管,为低成本开关电源系统提供高性价比的解决方案。
芯片 VDD 的工作电压范围宽,很方便的应用于充电器领域。芯片提供了过温、过流、过压、欠压等保护功能,保证了系统的可靠性。
一、SM7022特点
输入电压:85Vac~265Vac
待机功耗小于 120mW@220Vac
集成高压启动电路
集成高压功率开关
60KHz 固定开关频率
9V~39V 宽 VDD 工作电压范围
电流模式 PWM 控制方式
内置过温、过流、过压、欠压等保护功能
兼容 VIPer22 管脚(不需要修改电路走线及变压器)
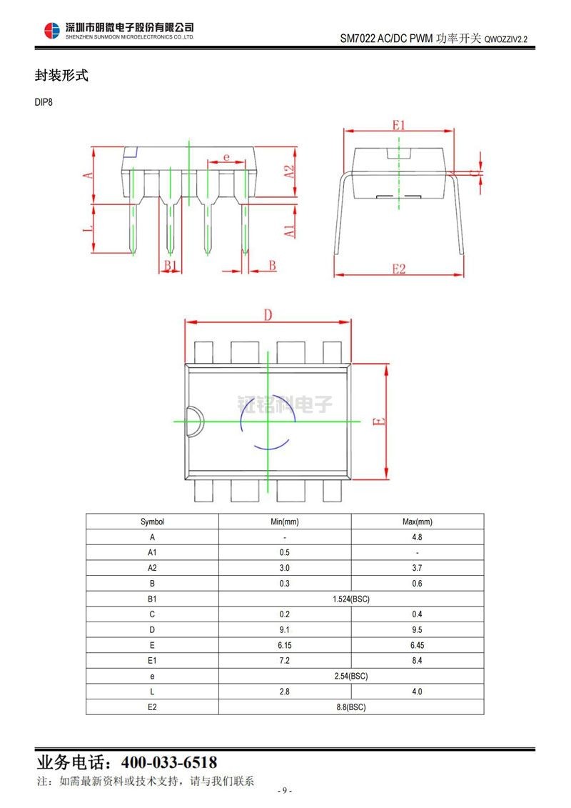
封装形式:DIP8、SOP8
二、SM7022应用领域
小功率充电器、小功率适配器、待机电源DVB 以及其他便携式设备电源
三、PCB布局注意事项
DIP8/SOP8封装简要说明:
在 IC 的 DRAIN 脚与 GND 及 VDD 之间开槽,以便进一步增加安规距离。
初级环路与次级环路的走线距离尽量粗而短,以便更容易通过 EMC 测试。
高压信号与低压信号分开走线,避免高压信号对低压反馈信号产生干扰。
IC 的 1、2 脚需要铺铜处理,铺铜面积建议大于 8*8mm,以降低芯片的温度。
SM7022pwm调光led恒流芯片规格书---咨询热线:133 3291 3059(微信同号)











Copyright © 2017-2021 hth官方网站 版权所有
QQ:41290014 电话:86 0755 2759 3052 E-mail:sale@linkage.cn
