5段线性恒功率低THD高功率SM2326E替换RM9001D
5段恒功率线性恒流恒功率芯片SM2326E 是一款多段导通,可实现恒功率、低 THD 高功率
因数LED 线性恒流控制芯片,SM2326E这款电源芯片芯片内置过温保护功能,可提升系统
应用可靠性。且在多颗芯片并联使用时,可省去外围的跳线电阻。芯片主要通过调节 REXT
端口电阻值对输出电流进行调节。芯片集成输入线网电压补偿功能,在额定输入电压范围
内,维持输入功率恒定。其主要应用于 LED 照明、建筑亮化工程等领域,系统结构简单,
外围元件少,方案成本低。

SM2326E 是一款工作于分段式自动切换模式且可实现恒功率、低 THD 高功率因数 LED 线
性恒流控制芯片,芯片
内置过温保护功能,可提升系统应用可靠性。在多颗芯片并联使用时,可避免 OUT 口走
线交叉,可省去外围多余
的跳线电阻,使布局走线方便简洁、可靠。芯片主要通过调节 REXT 端口电阻值对输出电
流进行调节。芯片集成输
入线网电压补偿功能,在额定输入电压范围内,维持输入功率恒定。
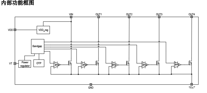
高压线性恒流芯片SM2326E 具有 5 个电流驱动端口,每个端口输出电流都通过 REXT 端
口电阻 R 进行调节,VIN 端口、OUT1~OUT4
端口逐级开启时输出电流如下: IVIN ,其中 R 为 REXT 端口电阻,系统输出平均电流
等于各个端口的电流平均值叠加。当 VT 端口电压
大于 1.2V 时,REXT 端口电压受 VT 调制。

特点
本司专利的恒流控制技术
OUT 端口输出电流外置可调,电流可达 120mA
芯片间输出电流偏差<± 4%
输入电压:120Vac/220Vac
支持 PF>0.9
支持 THD<10%
具有输入恒功率功能
具有过温调节功能
IC 并联应用可省去跳线电阻
芯片可与 LED 共用 PCB 板
封装形式:ESOP16
电源管理IC SM2326E应用领域
投光灯
工矿灯
灯具类 LED 照明
注 1:最大输出功率受限于芯片结温,最大极限值是指超出该工作范围,芯片有可能损坏
。在极限参数范围内工作,器件功能正常, 但并不完全保证满足个别性能指标。
注 2:RθJA 在 TA=25°C 自然对流下根据 JEDEC JESD51 热测量标准在单层导热试验
板上测量。
注 3:温度升高最大功耗一定会减小,这也是由 TJMAX,RθJA 和环境温度 TA 所决定的
。最大允许功耗为 PD = (TJMAX-TA)/ RθJA 或是极限范围给出的数值中比较低的那个值
。
注 4:电气工作参数定义了器件在工作范围内并且在保证特定性能指标的测试条件下的直
流和交流电参数。对于未给定上下限值的参数,该规范不予保证其精度,但其典型值合理
反映了器件性能。
注 5:规格书的最小、最大参数范围由测试保证,典型值由设计、测试或统计分析保证。
注 6:电流负温度补偿起始点为芯片内部设定温度 150°C。
如有需要订购的朋友们请华体汇官网app入口,提供方案技术支持,免费拿样4000336518
hth网页版在线登录电子高压线性恒流芯片行业专家,高压测光源灯条高压线性方案,高压漫反射灯条
方案,高压洗墙灯方案,LED电源芯片12年专注研发电子芯片产品---
//m.cybp2p.com

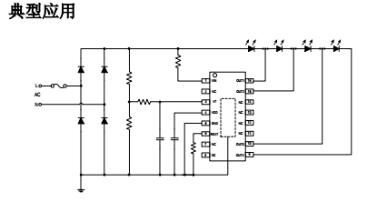
输出 LED 灯珠压降及各段灯珠比例设计
建议 SM2326E OUT1~OUT4 端口灯珠压降比例依次为 7:4:2:1 时,可使系统获得较低的
THD、较佳的光效和较高的功率因数。
输入线电压补偿
SM2326E 通过 VT 端口检测输入电压的变化,当输入电压升高时,减小输入电流;当输入
电压降低时,增大输入电流,故可使系统输入功率不随输入线网电压的波动而变化,基本
保持恒定。
芯片散热措施
SM2326E 芯片内部具有温度补偿电路,为避免芯片温度高引起掉电流现象,系统需采用良
好的散热处理,确保
SM2326E 芯片工作在合理的温度范围,常见散热措施如下:
1)系统采用铝基板;
2)增大 SM2326E 衬底的覆铜面积;
3)增大整个灯具的散热底座;
SM2326E 支持芯片并联应用方案。若系统输出功率过大导致芯片温度高时,可以采用多颗
SM2326E 芯片并联使用。
过温调节功能
当 LED 灯具内部温度过高,会引起 LED 灯出现严重的光衰,降低 LED 使用寿命。
SM2326E 集成了温度补偿功能, 当芯片内部达到 150ºC 过温点时,芯片将会自动减小输
出电流,以降低灯具内部温度,提高系统可靠性。