SM2086LED恒流驱动控制芯片,专为LED球泡灯和LED吸顶灯设计。该芯片采用双通道递进式设计和专利的恒流设定和控制技术,输出电流由外接Rext电阻设置为5mA~60mA,不会随着芯片OUT端口的电压变化而改变。同时,该芯片能够适应较宽的输入电压范围,使其具有更广泛的适用性。
该芯片的PCB板可与LED共用,这为制造商提供了极大的便利。此外,该产品的品质可靠,性能稳定,可确保LED灯的长期使用。
如果您需要一款高性能的LED恒流驱动降压IC芯片,SM2086值得您的信赖。无论是LED球泡灯还是LED吸顶灯,SM2086都是您的最佳选择。
SM2086技术参数
最大功率:9W
最大电流:60mA
恒流精度:±4%
BVDSS:500V

产品特点
1、本公司专利的恒流控制技术
a) OUT端口输出电流外置可调,范围5mA~60mA
b) 芯片间输出电流偏差<±4%
2、双通道递进式恒流方式
3、适应较宽的输入电压范围±20%
4、具有过热保护功能
5、芯片可与LED共用PCB板
6、芯片应用系统五EMI问题
7、线路简单、成本低廉
8、封装形式:ESOP8
应用领域
1. T5/T8系列LED日光灯管
2. LED路灯照明应用
3. LED球泡灯,LED吸顶灯
温度补偿
当 LED 灯具内部温度过高,会引起 LED 灯出现严重的光衰,降低 LED 使用寿命。SM2086 集成了温度补偿功能,当芯片内部结温超过 110ºC 时,将会自动减小输出电流,以降低灯具内部温度。
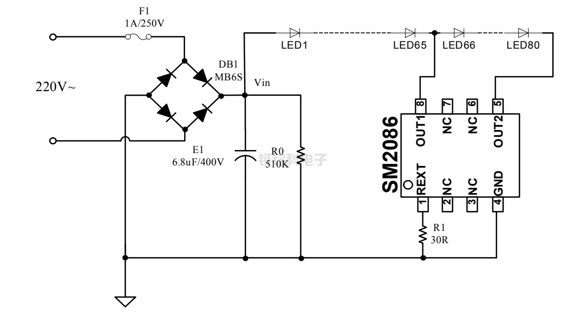
单颗芯片应用方案

SM2086LED恒流驱动降压IC芯片 通过在一串灯中接入另一个恒流通道,来实现较宽输入电压的恒流功能。当电压低至较低电压时(如 180V)由 OUT1 端口来完成对前面 65 个 LED 的恒流功能,当电压上升时输入电流会逐渐从 IOUT1 过渡到IOUT2,此时 OUT1 端口自动关闭;当电压达到 220V 时 80 个灯被完全点亮。当电压达到 240V 后,由于芯片自身的损耗加大,芯片进入过温保护模式,输出电流会减小达到降低整灯温度的目的。
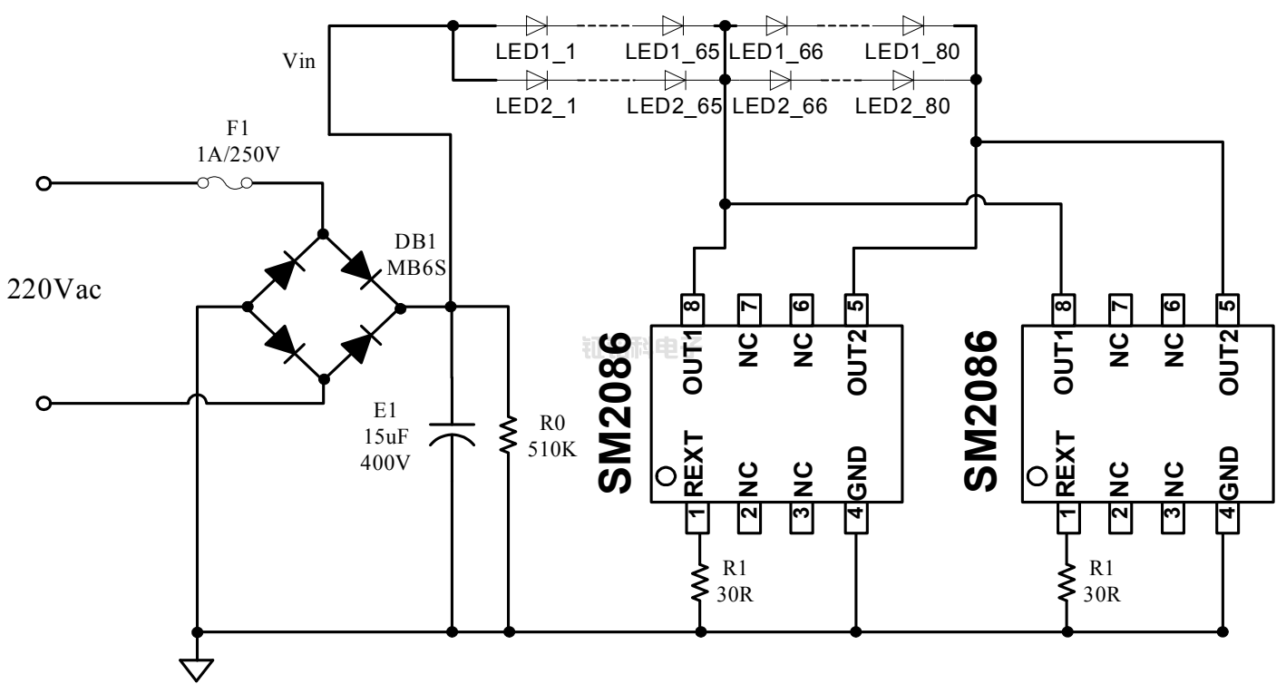
芯片并联应用方案

PCB 布图注意事项:
此方案应用于吸顶灯时应将 OUT1 与 OUT2 间的 15 个灯应分布在圆环的内圈,剩余的 65 个灯布在圆环的外圈采用这样的布局设计来避免工作在 180V 时整灯会产生亮度不均匀分布的问题。对于灯管也可采用OUT1 与 OUT2 灯珠进行穿插布局来改善发光均匀度。
芯片在底部有散热基岛,在画板时不能在芯片底部走线,建议与地连接,并进行漏铜处理,在贴片应保证芯片底部与 PCB 的底部有效连接进行散热。
Copyright © 2017-2021 hth官方网站 版权所有
QQ:41290014 电话:86 0755 2759 3052 E-mail:sale@linkage.cn