特点:
1、超低开启阈值,开启阈值低于0.6V
2、宽输入电压:2-40Vdc
3、电流精度<±5%
4、无需VDD供电,外围无任何元件
5、支持PWM调光功能,调光频率可支持100KHz
6、封装为:SOT23-3、SOT89-3
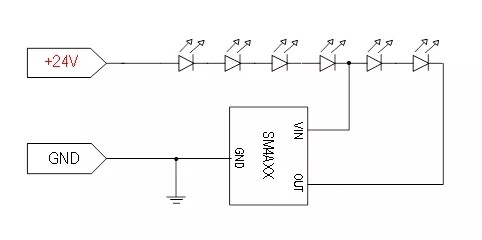
电路原理图:

芯片选型表:

SM4A00T/SM4A00TS/SM4A15T/SM4A20T/SM4A25T/SM4A30T/SM4A35T/SM4A40T/SM4A45T/SM4A50T/SM4A60T
芯片管脚图:


典型参数:

实际应用方案
1.灯条方案:


2.低压灯带方案:

成品展示:

Copyright © 2017-2021 hth官方网站 版权所有
QQ:41290014 电话:86 0755 2759 3052 E-mail:sale@linkage.cn