特点:
1、集成滤纹波芯片功能;
2、外围最多仅需2个贴片电容;
3、 高效率、无频闪;
4、 封装管脚:ESSOP10
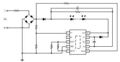
电路原理图:
典型方案及参数:
1、9W球泡方案参数
2、4.5W灯丝灯方案参数
随着科技的不断发展,LED照明技术已经成为了现代生活中不可或缺的一部分。而SM16703PLED智能...
SM2082EGS,一颗电力与浪漫交融的小芯片,带着你进入LED的世界。它独步单通道,却凝聚了无比的...
SM2086LED恒流驱动降压IC芯片,专为LED球泡灯和LED吸顶灯设计。该芯片采用双通道递进式设...
Copyright © 2017-2021 hth官方网站 版权所有
QQ:41290014 电话:86 0755 2759 3052 E-mail:sale@linkage.cn
粤ICP备11074259号-2