随着生产、生活及广告宣传等照明需求的持续增长,照明用电在电力消耗中的地位日益凸现。随着我国第三产业特别是半导体IC的快速发展,高压灯带灯带照明为代表的广告(宣传)照明行业发展迅速。
高压灯带照明应用范围极为广泛,高压灯带是宾馆饭店、商场店铺、加油站,还是飞机场、火车站、地铁站等,高压灯带产品随处可见。高压灯带产品成为中外企业、机构宣传形象、展示品牌等吸引公众的重要手段,频繁地出现在各种公众场所。

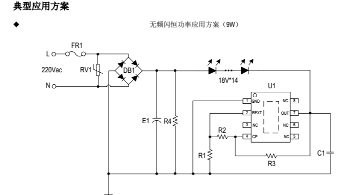
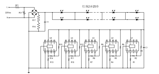
正因为半导体IC 在国家的大力支持下已经飞速发展,使得在灯带,高压灯带这一块的IC层出不穷,要应用在高压灯带上的IC 就有了很多的选择,高压线性恒流芯片 SM2091E就是其中的一款性能尤为突出的型号,高压线性恒流芯片 SM2091E具有方案成本低,系统结构简单特点,之所以能够被应用在LED高压灯带这种需要长时间高强度的照明场合上,就是因为高压线性恒流芯片 SM2091E具有温度可控,调节温度保护功能,恒功率,恒流明可以说是一款应用在长时间照明产品上绝佳的高压高压线性恒流芯片,并且高压线性恒流芯片 SM2091E没有电解电容,能够适合自动化生产,对于产品线的大量使用来说,不失为一个好的选择,不用再像传统IC那样应用在高压灯带之中还需要外接一个变压器,这个SM2091E能够直接接入220v电压,节省大量的人力物力,这款高压线性恒流芯片 SM2091E性价比也高,如果能被广泛应用开来,相信高压线性恒流芯片 SM2091E这一款芯片也能得到广大高压灯带,灯条生产厂家的认同,因为LED高压灯带用了高压线性恒流芯片 SM2091E这颗IC,它自身的温度能够得到了控制,所以LED高压灯带相对于传统灯带来说,稳定性要好,寿命长。

可以预见,伴随着经济的发展,广告高压灯带我国的高压灯带照明节电市场前景非常广阔,不但蕴涵着巨大的商机,也蕴藏着巨大的节能潜力。但是目前我国照明节电政策主要侧重于节能光源的推广应用,而拥有自主知识产权的高压灯带灯带照明节电技术还需要政府部门加大重视并大力推广
Copyright © 2017-2021 hth官方网站 版权所有
QQ:41290014 电话:86 0755 2759 3052 E-mail:sale@linkage.cn