元器件行业利润足够大,数万亿的市场规模。可以说有电的地方就有电子元器件。随着晶体管和集成电路的发展,人类完成先后完成了第二次工业革命和计算机技术革命,现在正在推动着第四次工业革命的发展,在这一百多年的历史里,电子元器件行业一直在蓬勃发展,早已渗透人类生活的每一个领域,在这相当长的时间都是一个朝阳产业。中国由于历史原因电子行业起步晚,底子薄,到目前为止很多核心元器件都需要依赖进口。在这种条件下,经过国家近期的扶持信息,我国的电子元器件行业也优先发展起来。

图一高压线性恒流芯片SM2091E 无频闪恒功率9w应用方案图
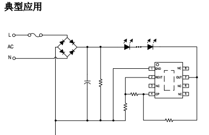
高压线性恒流芯片SM2091E是一款单通道高精度 LED 线性恒流控制芯片,芯片使用本司专利的恒流控制技术,通过外部电阻精确的设置恒定的 LED 电流。高压线性芯片SM2091E集成输入线电压补偿功能,在额定输入电压范围内,高压线性恒流芯片SM2091E/通过外置电阻调节输出电流大小,维持输入功率恒定。
芯片SM2091E具有过温调节功能,提升系统应用可靠性。系统结构简单,外围元件少,方案成本低。

图二 高压线性恒流芯片SM2091E 典型方案应用原理图
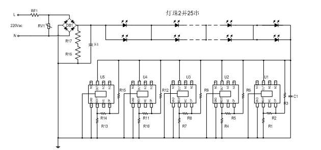
所以在最近几年的发展中,高压线性恒流芯片SM2091E更多的被用来在LED高压灯带中,因为目前LED高压灯带面临的问题有发热效果严重,寿命较短,没有一款比较好的高压线性恒流芯片来主导这一块灯带的市场,所以也不够稳定,但是当工程师在测试这一款高压线性恒流芯片SM2091E的时候却意外的发现它的过温保护功能能够解决灯带目前所面临的几个问题,正因为有了这款高压线性恒流芯片SM2091E的出现,使得LED灯带低迷的市场重现生机,高压线性恒流芯片SM2091E设计方案成本低的原因让它一度横扫整个LED灯带市场。使得近期来LED灯带的生产厂家开始大批量生产,更多的就是选用这款高压高压线性恒流芯片SM2091E。相信在未来以后的发展中,作为一款功能强劲的高压线性恒流IC,会有更多各种各样的型号加入进来,但就目前来说,恒功率的高压线性恒流芯片只有这一款SM2091E.

图三高压线性恒流芯片SM2091E高压灯带方案应用原理图
同样在LED高压灯带的应用方案,SM2091E与其他LED高压灯带芯片SM2082G的比较,具体有什么不同之处,如果同样用在LED高压灯带中,会各有什么优势,这都是高压线性恒流芯片内在的优势。
Copyright © 2017-2021 hth官方网站 版权所有
QQ:41290014 电话:86 0755 2759 3052 E-mail:sale@linkage.cn