高压硬灯条适合用在没有位置安放电源的灯箱,为减少后期的维护,人体不容易接触到的地方,如:各大商场室内高空灯箱照明 、室内天花吊顶暗槽等。
高压硬灯条常规尺寸有0.5米和1米,间距可以定做。
在传统的高压硬灯条中我们发现,以前的高压硬灯条存在着各种各样的问题情况,导致大量的高压硬灯条生产的中小企业逐渐退出市场,因为高压硬灯条没有一款好的LED电源芯片方案来支撑,质量问题没有保证,仅仅靠价格战很难生存下去。

所以如何选用高性价比的一款LED电源芯片中,芯片方案的选择就变得极其重要,如果芯片方案选用的不好,那就会导致高压硬灯条的质量受到影响。
下面就对hth网页版在线登录中的这款比较常用在高压硬灯条中的LED电源芯片LK2085的方案来做个详细的解读。
在输入电压方面,LED电源芯片LK2085沿袭了一贯有的特点就是输入电压在120伏到220伏之间。实现了宽电压输入的条件,使得高压硬灯条的220V高压效果能够体现的出来。

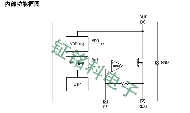
LED电源芯片LK2085外部电阻值最大可设置电流值为80mA,并且LK2085还能够进行宽电压的输入,120vac/220vac的输入电压,如果你要做高PF的方案,LED电源芯片LK2085的高PF方案>0.9,如果是低PF方案的话,PF>0.5,没有频闪,但是需要在整个电源芯片电路设计方案中添加一小块贴片电容可以去掉令人烦恼的频闪问题。在高压硬灯条的方案应用中LK2085也可以运用的很好,不会出现太大的其它质量问题。
在高压硬灯条产品的发热处理方面,LED电源芯片这次带来了过温处理调节功能,在一定的温度保护点作用下,电流会慢慢降低,达到内部温度的恒定,让高压硬灯条外围用来保护的塑胶管不至于在温度过高的情况下颜色会变异。
高压硬灯条LED电源芯片方案LK2085最基本简单的方案就是一个芯片陪一个电阻调电流加桥堆和灯珠,铝基板加上输入电源线全部搞定了.
有着这个比较优质的方案的出现,摒弃了很多其他不需要的元器件等等,所需要考虑的成本方面也会相应降低。未来的LED高压硬灯条生产厂商也必定会使用这款LK2085电源芯片方案。
Copyright © 2017-2021 hth官方网站 版权所有
QQ:41290014 电话:86 0755 2759 3052 E-mail:sale@linkage.cn