家居照明与灯饰的结合将会成为更大的流行时尚,大批企业将进入这个领域。照明不仅是一种功能,更是一种装饰,一种时尚,将像时装一样变幻无穷。越年轻的消费者,将越喜欢装饰强的照明,这是不以人的意志为转移的。智能与情调将完美结合,照明与灯饰智能化,这种探索的进程一直在发展。
到了半导体技术发展的现在,高压侧光源灯条这个名称已经开始在众多的LED灯条生产厂商中出现。

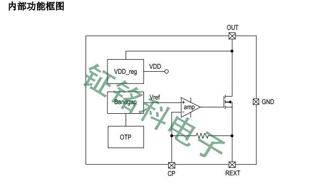
能够应用在高压侧光源灯条中的LED芯片方案就有着LK2085这款高压线性恒流芯片的身影。作为一款集成功能程度比较高的高压线性恒流芯片,LK2085的确有着比较多的传统IC没有的功能,首先,这款高压线性恒流芯片LK2085使用了hth网页版在线登录公司专利生产的通过外置电阻设置,让芯片达到恒流输出的目的,这个功能恰好是许多LED厂家需要的功能。
高压线性恒流芯片LK2085恒流明的目的达到了,那么这款高压线性方案用在高压侧光源中会有什么特点吗?是否能够增强某些以前产生的问题,或者是解决以往的那些问题。
是的,高压线性恒流芯片LK2085应用在高压侧光源LED产品上的过温保护功能,能够很好的保护产品不至于被温度太高烧毁外层锡膏,从而产生安全性问题。

芯片集成输入线电压补偿功能,在额定输入电压范围内,通过外置电阻调节输出电流大小,维持输入功率恒定.这是高压线性恒流芯片LK2085的恒功率特点,这也是能够在高压侧光源灯条中特出的一个优势应用。
系统结构简单, 外围元件少,方案成本低。几乎所有的高压线性恒流芯片方案都保留着这个特色,LK2085也不会例外。并且高压线性恒流芯片LK2085容易过UL,CEE过国外认证,产品质量过得去,性价比也好,所以在高压侧光源灯条中,考虑高压线性方案的人才会越来越多。
事实上,为了更一步增强高压侧光源灯条高压线性方案的稳定性,抗雷击的能力,这次特地给出了LK2085的另一款更稳定的方案就是加入一个线绕电阻,以及贴片电容,来增强LK2085的稳定性。
相信多数高压侧光源灯条生产厂商在选择LK2085的高压线性方案的时候,多关注这另外的一款更稳定,效果更好的芯片方案。
hth网页版在线登录电子高压线性恒流芯片行业专家,高压测光源灯条高压线性方案,高压漫反射灯条方案,高压洗墙灯方案,LED电源芯片12年专注研发电子芯片产品---//m.cybp2p.com
Copyright © 2017-2021 hth官方网站 版权所有
QQ:41290014 电话:86 0755 2759 3052 E-mail:sale@linkage.cn