LED恒流驱动电路图是一种常见的电路设计,用于驱动LED灯。LED恒流驱动电路可以确保LED灯的亮度稳定,不受电压波动的影响,使得LED灯在长时间使用时保持一致的亮度,延长LED灯的使用寿命。
LED恒流驱动电路通常由电源、恒流驱动芯片和LED灯组成。电源为整个电路提供稳定的电压,而恒流驱动芯片则起到控制LED灯电流的作用。LED恒流驱动电路图还可以包括过压保护和过流保护等保护电路,以确保LED灯在异常情况下的安全使用。
对于LED恒流驱动电路图的设计,需要考虑LED灯的工作电流和电压特性,选取合适的恒流驱动芯片,并且进行严格的电路布局和参数计算,以确保电路的稳定性和安全性。
在 LED 恒流驱动电路图中,恒流驱动芯片的选择非常重要。目前市场上常见的恒流驱动芯片有许多种,每种都有自己的特点和适用范围。下面介绍三款简单实用的LED恒流驱动电路图。
第一款LED恒流驱动电路图-SM2082EGS:
SM2082EDS 是一款单通道LED线性恒流控制芯片,芯片使用本司专利的恒流设定和控制技术,输出电流由外接 Rext 电阻设置,最大电流可达 100mA,且输出电流不随芯片 OUT 端口电压而变化,具有较好的恒流性能。系统结构简单,外围元件极少,方案成本低。

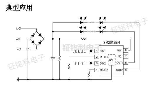
第二款LED恒流驱动电路图-SM2612EN:
SM2612EN 是一款双通道可调光 LED 线性恒流控制芯片,芯片使用本司专利的恒流设定和控制技术,输出电流由外接 Rext 电阻设置,且输出电流不随芯片 OUT 端口电压而变化。芯片可通过 DIM 端口实现 PWM 调光功能,OUT 端口输出电流为模拟量,调光无频闪,具有良好的调光精度。系统结构简单,外围元件极少,方案成本低。

第三款LED恒流驱动电路图-SM2196KF:
SM2196KF 是一款高效带可控硅检测、线网电压补偿的双通道LED 线性恒流控制芯片,该芯片使用本司专利的恒流和恒功率控制技术,通过检测 VT 端口电压控制输出电流,从而使得在输入电压变化时,输入功率基本保持不变;同时具有良好的可控硅兼容性,通过检测 TRIAC 端口电压控制泄放电流,从而使得在无可控硅接入系统时,关闭 TRIAC 端口,在有可控硅接入系统时,正常开启 TRIAC端口。芯片具有过温调节功能,当芯片温度过高,减小输出电流,提高系统应用可靠性。

hth官方网站是一家从事18年LED驱动芯片IC方案供应商,主营LED线性恒流驱动芯片,ACDC和DCDC恒流恒压电源管理芯片。开发了LED芯片电源方案近5000款,经典方案98款,如果你也是做LED灯饰照明,小家电控制板,过欠压保护器,LED高低压灯带,LED幻彩灯带,LED景观亮化的工厂欢迎一起交流沟通!
Copyright © 2017-2021 hth官方网站 版权所有
QQ:41290014 电话:86 0755 2759 3052 E-mail:sale@linkage.cn