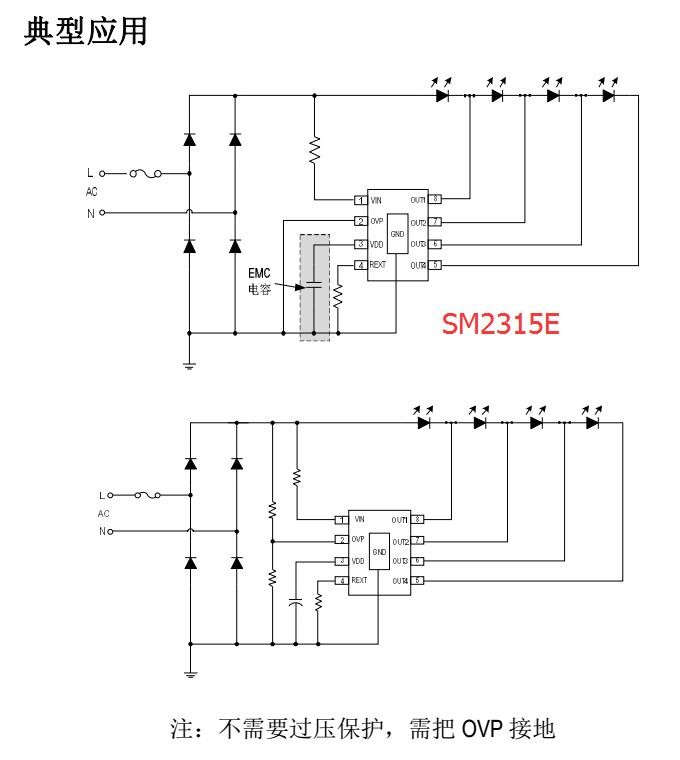
明微SM2315E是一款低THD高功率因数LED线性恒流控制芯片,SM2315E内置过温保护及过压保护等功能,提升系统应用可靠性。明微SM2315E外围主要通过调节REXT电阻值对输出电流进行调节,其OUT端口输出电流外置可调,范围5mA~120mA,芯片间输出电流偏差<±4%。SM2315E规格书参数:输入电压均为120Vac或220Vac,最大功率为9瓦,PF大于0.9,THD<10%。明微高压线性恒流芯片SM2315E系统结构简单,外围元件少,芯片与LED共用PCB板,实现全贴片工艺,生产效率高,方案成本低。

明微SM2315E耐压500V,芯片内部具有温度补偿电路,为避免芯片温度高引起掉电流现象,系统需采用良好的散热处理,确保SM2315E芯片工作在合理的温度范围,常见散热措施如下:
1)系统采用铝基板;
2)增大SM2315E衬底的覆铜面积;
3)增大整个灯具的散热底座;
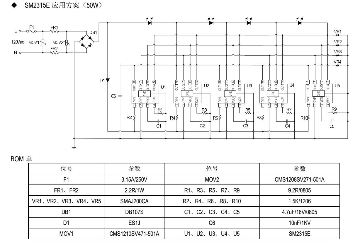
明微SM2315E支持芯片并联应用方案,若系统输出功率过大导致芯片温度高时,可以采用多颗SM2315E芯片并联使用。

过温调节功能:
当LED灯具内部温度过高, 会引起LED灯出现严重的光衰, 降低LED使用寿命。SM2315E集成了温度补偿功能,当芯片内部达到110ºC 过温点时,芯片将会自动 减小输出电流,以降低灯具内部温度,提高系统可靠性。
由于产品更新换代,线性恒流芯片SM2087已停产,可用SM2315E替换。明微SM2315E规格书可在本网站下载,也可联系客服索取SM2315E最新方案规格书。
Copyright © 2017-2021 hth官方网站 版权所有
QQ:41290014 电话:86 0755 2759 3052 E-mail:sale@linkage.cn