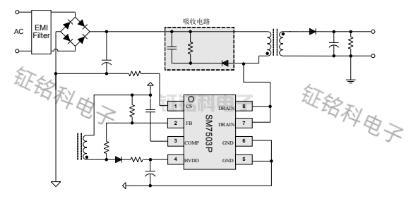
随着电子技术的飞速发展,电源管理成为电子设备不可或缺的一部分。其中,离线式小功率AC/DC开关电源因其高效、稳定的特点广泛应用于各种电子设备中。为了满足市场对于电源性能日益增长的需求,高性能的原边反馈控制功率开关芯片应运而生。今天,我们将重点介绍SM7503P这款专为离线式小功率AC/DC开关电源设计的高性能芯片。

SM7503P是一款具备高精度恒压/恒流输出功能的原边反馈控制功率开关芯片。在全电压输入范围内,其精度均小于±3%,为电源系统提供了稳定的输出电压和电流。这一特性使得SM7503P在各类电子设备中都能发挥出卓越的性能,满足用户对于电源稳定性的高要求。
值得一提的是,SM7503P的应用还能帮助系统节省光耦和TL431等元件,从而有效降低成本。在激烈的市场竞争中,降低成本对于提升产品竞争力具有重要意义。通过采用SM7503P,企业可以在保证产品质量的同时,实现成本的优化,提升整体盈利能力。

除了上述优势外,SM7503P内部还集成了多种完善的保护功能,包括高压功率开关、逐周期峰值电流限制、HVDD过压保护、HVDD欠压保护以及HVDD电压钳位等。这些保护功能共同提升了系统的可靠性,有效防止了因电源故障导致的设备损坏和安全隐患。
在实际应用中,逐周期峰值电流限制功能能够在电流异常升高时及时切断电源,保护设备免受损坏。而HVDD过压保护和欠压保护功能则能在电源电压超出安全范围时自动关闭电源,防止设备因电压异常而受损。此外,HVDD电压钳位功能还能确保电源电压在正常工作范围内波动,为设备提供稳定的运行环境。

综上所述,SM7503P作为一款高性能的原边反馈控制功率开关芯片,在离线式小功率AC/DC开关电源领域具有广泛的应用前景。其高精度恒压/恒流输出、低成本优势以及完善的保护功能共同为电源系统提供了稳定、可靠的运行环境。随着科技的不断进步,我们有理由相信,SM7503P将在未来为更多电子设备带来更出色的电源管理体验。
Copyright © 2017-2021 hth官方网站 版权所有
QQ:41290014 电话:86 0755 2759 3052 E-mail:sale@linkage.cn