低压灯带恒流ICSM4A00是输出电流可调、高性价比的单通道LED恒流驱
输出电流范围:
REXT 悬空,IOUT=18mA;
REXT 外接电阻,IOUT=18~108mA 可调

低压灯带恒流ICSM4A00内置内部电源启动模块、电压基准模块、输出电动芯片,具有宽电源电压范围输入、低阈值电压开启特点。解决因电源电压衰减造成的LED灯带亮度不一致问题。
流设置和驱动模块。
低压灯带恒流ICSM4A00 输出电流默认18mA、也可通过外置REXT电阻调
至18~108mA。芯片输出电流精度高、且恒流值不随OUT端口电压波动而变化。同时芯片输出电流具有负温度特性,来保护LED 不受极端电压和电流的热控制,提高实际应用的可靠性。
SM4A00 是一款即插即亮的产品,外围极为简单、可做级
联应用、扩流应用及并联应用,应用极为灵活。

低压灯带恒流IC SM4A00端口电压:
OUT 端口耐压:40V
输出电流精度:±5%
REXT 电阻外置,电流可调
恒 流 拐 点 电 压 低 : 20mA@VOUT_S=0.40V,
VIN=5.0V; 40mA@VOUT_S=0.50V,VIN=5.0V;
60mA@VOUT_S=0.60V,VIN=5.0V; 108mA@VOUT_S=0.85V,VIN=5.0V;
输出电流负温度特性
线路简单、应用灵活,成本低
封装形式:SOT23-5

低压灯带恒流IC SM4A00应用领域:
模组、软灯带
室内外装饰、汽车装饰
1)低压灯带恒流IC SM4A00可实现低电压恒流开启且输出电流精度高,芯片间输出电流偏差小于±5%;
2)如下图所示,当低压灯带恒流IC SM4A00达到恒流拐点后,输出电流受 OUT 端口电压 VOUT 影响极小。
SM4A00 默认输出电流 18mA,可通过外接 Rext 电阻设置输出电流 18~108mA,IOUT 与外置 Rext 电阻间的关系公式如下:
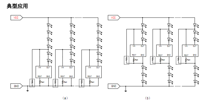
实际应用中,Vin~GND 的电压应<40V;为保证 Iout 恒流及布线的方便性,建议 Vin 与 OUT 间接 2 颗以上灯珠, 且芯片可串接在灯珠间的任意位置;
其中,VREXT 是 REXT 端口悬空时的电压,VREXT=0.4V。
有需要订购的朋友请华体汇官网app入口电子4000336518或者联系13802567304林先生

hth网页版在线登录电子高压线性恒流芯片行业专家,高压测光源灯条高压线性方案,高压漫反射灯条方案,高压洗墙灯方案,LED电源芯片12年专注研发电子芯片产品---//m.cybp2p.com
Copyright © 2017-2021 hth官方网站 版权所有
QQ:41290014 电话:86 0755 2759 3052 E-mail:sale@linkage.cn