在当今电子技术飞速发展的时代,电源管理成为电子设备不可或缺的关键一环。从智能手机、平板电脑等便携式设备,到电脑、电视等家用电器,乃至工业控制、汽车电子等领域,无一不对电源的稳定性、效率和精准度提出了严苛要求。离线式小功率 AC/DC 开关电源,凭借其高效、稳定的特性,在各类电子设备中广泛应用,成为供电的主力军。
为了满足市场对于电源性能日益增长的需求,高性能的原边反馈控制功率开关芯片应运而生。在众多芯片产品中,SM7503P 芯片崭露头角,备受瞩目。它专为离线式小功率 AC/DC 开关电源量身打造,宛如一位精准的电力指挥官,为电子设备提供稳定可靠的能源支持。

SM7503P 芯片拥有令人瞩目的宽电压输入特性,其输入范围覆盖 85Vac - 265Vac。这意味着无论是在电网电压波动较大的偏远地区,还是在工业用电环境复杂的场所,亦或是日常生活中的家庭用电场景,它都能从容应对,确保电子设备稳定运行。在一些电力基础设施相对薄弱的地区,电网电压可能会出现较大幅度的波动,从低谷的 85Vac 到高峰的 265Vac 不等。SM7503P 芯片凭借其宽电压输入能力,为当地的电子设备提供了可靠的电源保障,让照明灯具持续发光,让家用电器正常运转,极大地提升了居民的生活便利性。
不仅如此,该芯片在待机功耗方面表现卓越,待机功耗小于 120mW@220Vac。在当今倡导节能环保的时代背景下,这一特性尤为关键。对于那些需要长时间待机的电子设备,如电视、电脑等,低待机功耗意味着更少的能源浪费。以一台每天待机 10 小时的电视机为例,采用 SM7503P 芯片作为电源管理芯片,相较于传统芯片,每天可节省数瓦时的电量,日积月累,不仅为用户节省了电费开支,也为全球的节能减排事业贡献了一份力量。
在全电压输入范围内,SM7503P 芯片实现了恒压精度小于 ±3%、恒流精度小于 ±3% 的高精度输出。这一精度指标宛如一把精准的标尺,为电子设备的稳定运行保驾护航。对于 LED 照明驱动而言,稳定的恒流输出是确保 LED 灯珠发光均匀、寿命长久的关键。SM7503P 芯片能够精准控制电流,避免因电流波动导致的 LED 灯珠早衰、光衰等问题,让照明效果始终如一,为用户提供持久明亮的光线。
在手机、平板电脑等便携式设备的充电器中,高精度的恒压输出更是至关重要。它能确保充电过程中电压稳定,既不会因电压过高对设备电池造成损害,缩短电池寿命,也不会因电压过低而导致充电缓慢,影响用户使用体验。当用户在旅途中使用配备 SM7503P 芯片充电器为手机充电时,无论身处何地,电网电压如何变化,都能享受到快速、安全的充电服务,让设备随时保持充足电量,随时待命。
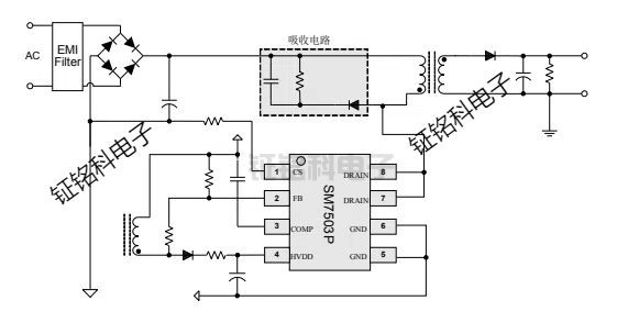
SM7503P 芯片所采用的原边反馈控制技术,堪称其一大核心亮点。在传统的开关电源设计中,为了实现精准的电压、电流反馈控制,通常需要借助光耦和 TL431 等元件构建复杂的次级反馈回路。光耦作为一种光电耦合器件,负责在电气上隔离初级和次级电路,同时传递反馈信号;TL431 则是一种精密的可调基准电压源,与光耦配合使用,用于精确调节输出电压。然而,这种传统方案存在诸多弊端。一方面,光耦和 TL431 等元件的成本相对较高,增加了产品的物料成本;另一方面,它们的引入使得电路设计更为复杂,占用更多的 PCB 空间,不仅增加了设计难度,还可能降低系统的可靠性,延长产品研发周期。
与之相比,SM7503P 芯片的原边反馈控制技术独辟蹊径。它通过在变压器原边巧妙地采样电压、电流等关键信息,利用先进的算法和内部电路对这些信息进行处理,进而精准地控制输出电压和电流。如此一来,系统无需再依赖光耦和 TL431 等元件构建次级反馈回路,极大地简化了电路设计。以一款采用 SM7503P 芯片的 LED 照明驱动电源为例,由于省去了光耦和 TL431,PCB 板上的元件数量明显减少,布局更加简洁,不仅降低了约 20% 的物料成本,还使得产品的体积得以缩小,为灯具的小型化设计提供了可能,同时提高了生产效率,缩短了产品上市时间。
为了进一步提升电源的稳定性和可靠性,SM7503P 芯片内置了多重补偿功能,犹如为电源系统穿上了一层坚固的防护铠甲。其中,内置原边绕组感量补偿功能意义重大。在实际的电源应用中,变压器原边绕组的感量会受到多种因素的影响,如温度变化、磁芯材料特性的差异以及生产工艺的波动等。这些因素导致的原边绕组感量变化,可能会引发输出电压和电流的不稳定,进而影响电子设备的正常运行。SM7503P 芯片能够实时监测原边绕组感量的变化,并通过内置的补偿电路自动调整控制参数,确保输出的稳定性。
内置输出线压降补偿功能同样不可或缺。当电源输出电流较大时,在输出导线上不可避免地会产生一定的压降。这一压降会导致负载端实际接收到的电压低于预期值,尤其在长距离供电或大电流应用场景下,问题更为突出。例如,在一些工业自动化设备中,控制器与执行机构之间的供电线路较长,如果电源没有良好的线压降补偿功能,执行机构可能因电压不足而无法正常工作。SM7503P 芯片通过内置的输出线压降补偿功能,能够智能感知输出电流大小,根据预设的补偿算法动态调整输出电压,抵消线路压降的影响,确保负载端始终能获得稳定、精准的供电电压。
此外,芯片还内置了前沿消隐电路(LEB)。在开关电源的工作过程中,当高压功率管开启瞬间,由于变压器原边绕组存在寄生电容和漏感,会产生一个短暂而幅值较高的尖峰电流。这一尖峰电流若被芯片误判为真实的负载电流,可能会导致芯片过早关断功率管,使电源系统无法正常工作。前沿消隐电路的作用就是在功率管开启瞬间的短暂时间内(通常为 200 - 300nS),屏蔽电流检测电路对尖峰电流的响应,避免芯片产生误动作。与传统方案相比,无需再在外围电路中添加复杂的 RC 滤波电路来消除尖峰电流干扰,既节省了成本,又提高了系统的可靠性。在一款手机充电器应用中,前沿消隐电路有效避免了因尖峰电流干扰导致的充电中断问题,确保用户能够顺利、快速地为手机充电。

SM7503P 芯片通过内置的精密电流检测电路,实时监测变压器原边电流。在每一个开关周期内,当检测到电流峰值接近或超过预设的安全阈值时,芯片迅速做出反应,精准地控制功率开关管的导通时间,及时切断电流的进一步上升,从而有效防止电流过载。在一些对电流稳定性要求极高的电子设备中,如精密医疗仪器,微小的电流波动都可能导致测量误差,影响诊断结果。SM7503P 芯片的逐周期峰值电流限制功能确保了电源输出电流的平稳,为仪器提供可靠的电力支持,保障了医疗诊断的准确性,同时也延长了设备的使用寿命,降低了维修成本。
HVDD 过压保护、HVDD 欠压保护以及 HVDD 电压钳位功能,是 SM7503P 芯片构建的又一道坚固防线。HVDD(High Voltage Drain Drain,高压漏极)作为芯片内部的关键供电节点,其电压的稳定性直接关乎芯片的正常运行乃至整个电源系统的安危。
当电网电压出现异常波动,如因雷击、电力系统故障等原因导致电压瞬间升高时,若没有有效的过压保护措施,过高的电压可能会击穿芯片内部的晶体管、电容等敏感元件,使芯片瞬间失效,进而导致整个电源系统瘫痪。SM7503P 芯片的 HVDD 过压保护功能在检测到 HVDD 电压超出预设的上限值时,立即启动保护机制,迅速关断相关电路,阻止过高电压对芯片造成损害,确保系统安全。
相反,在一些供电不稳定的场景下,如偏远地区的电力供应不足或用电高峰期电网电压跌落,可能会出现 HVDD 欠压的情况。此时,芯片可能无法正常工作,导致电源输出异常。HVDD 欠压保护功能则能在电压低于设定阈值时,及时采取措施,如使系统进入低功耗待机模式或触发重启操作,避免因欠压而引发的系统故障。
HVDD 电压钳位功能就像是给 HVDD 电压戴上了一副 “枷锁”,将其牢牢地限制在一个安全、稳定的范围内。无论外部电压如何剧烈波动,它都能确保 HVDD 电压始终在芯片可承受的区间内平稳变化,为芯片提供稳定的供电环境,保证芯片持续、可靠地运行,进而保障整个电子设备的正常工作。在工业控制领域,大量的自动化设备需要长时间稳定运行,SM7503P 芯片的这些保护功能为设备提供了可靠的电源保障,减少了因电压异常导致的停机时间,提高了生产效率。

在 LED 照明领域,SM7503P 芯片展现出了卓越的适配性。随着人们对节能环保和照明质量要求的不断提高,LED 照明灯具逐渐取代传统照明灯具,成为市场主流。LED 灯珠对电源的要求极为苛刻,需要稳定的恒流供电才能确保其发光效率、寿命以及光色一致性。
SM7503P 芯片的高精度恒流输出特性,恰好满足了这一需求。它能够精准地控制电流,使 LED 灯珠在全电压输入范围内都能获得稳定的电流供应,避免了因电流波动导致的光衰、闪烁等问题,从而延长了 LED 灯具的使用寿命。一款采用 SM7503P 芯片驱动的 LED 路灯,在城市道路照明中表现出色。无论是在深夜电网电压升高时,还是在用电高峰期电压略有下降的情况下,它都能始终保持稳定的亮度,为行人和车辆提供可靠的照明,大大降低了维护成本,提高了照明系统的可靠性。
此外,该芯片的原边反馈控制技术以及内置的多种补偿功能,为 LED 照明驱动电源的设计带来了极大便利。由于省去了光耦和 TL431 等元件,电源的体积得以缩小,这对于追求小型化、轻量化设计的 LED 灯具来说至关重要。在一些智能 LED 灯具中,还可以利用 SM7503P 芯片的特性,实现调光调色功能。通过对芯片的控制信号进行调节,能够轻松改变 LED 灯珠的电流大小,进而实现不同亮度和色温的切换,满足用户在不同场景下的照明需求,为智能家居生活增添光彩。
在手机、无绳电话、PADS、数码相机、MP3 等各类消费电子产品的充电器和适配器中,SM7503P 芯片同样大显身手。这些消费电子产品对充电器的要求日益提高,不仅需要快速充电,还要求充电器具备小巧便携、兼容性强等特点。
SM7503P 芯片的宽电压输入范围,使其能够适应全球各地不同的电网电压标准,无论是在国内的 220Vac 电网环境下,还是在国外 110Vac 的供电系统中,都能正常工作,为用户提供便捷的充电体验。高精度的恒压输出,确保了充电过程的安全性和稳定性,有效避免了过充、欠充等问题对电池寿命的损害。以智能手机为例,如今的智能手机电池容量越来越大,用户对充电速度的要求也越来越高。采用 SM7503P 芯片的充电器,能够在短时间内为手机提供稳定的高电压、大电流充电,大大缩短了充电时间,让用户的手机能够迅速恢复电量,随时待命。
同时,原边反馈控制技术节省了光耦和 TL431 等元件,使得充电器的体积得以减小,成本降低。这对于那些追求轻薄设计的手机、平板电脑等设备来说,无疑是一个巨大的优势。用户可以更加方便地携带充电器出行,随时随地为设备充电,无需担心充电器的体积和重量会带来不便。在一些高端数码相机的充电器中,SM7503P 芯片的稳定性和可靠性更是得到了充分体现。它能够为相机电池提供精准的充电电流和电压,确保电池在多次充放电循环后仍能保持良好的性能,延长相机的使用寿命,让摄影爱好者能够捕捉到更多精彩瞬间。
在电脑、电视等产品的辅助电源或待机电源方面,SM7503P 芯片发挥着不可或缺的作用。电脑和电视作为家庭和办公场所中常见的大型电子设备,其功耗问题一直备受关注。尤其是在待机状态下,传统的电源设计往往会消耗大量的电能,造成能源浪费。
SM7503P 芯片的低待机功耗特性,有效解决了这一难题。当电脑或电视处于待机模式时,芯片能够自动进入低功耗状态,待机功耗小于 120mW@220Vac,大大降低了能源消耗。以一台每天待机 16 小时的电脑为例,采用 SM7503P 芯片作为待机电源管理芯片,每年可节省数十度电,不仅为用户节省了电费开支,还为节能减排做出了贡献。
在设备正常运行时,芯片的宽电压输入和高精度恒压 / 恒流输出特性,为电脑、电视的主板、芯片组等关键部件提供了稳定可靠的电力支持。确保电脑在运行大型游戏、进行复杂的图形处理等高负载任务时,不会因电源波动而出现死机、卡顿等问题;保证电视在播放高清视频、切换频道等操作时,画面稳定,色彩鲜艳,音效清晰。无论是电脑的硬盘读写、CPU 运算,还是电视的图像处理、音频解码,SM7503P 芯片都能像一位默默奉献的幕后英雄,为设备的稳定运行提供坚实保障,让用户尽情享受电子设备带来的便捷与乐趣。
SM7503P 芯片凭借其卓越的性能、独特的优势以及全方位的保护功能,在离线式小功率 AC/DC 开关电源领域熠熠生辉。它宛如一颗璀璨的明珠,为 LED 照明驱动、消费电子充电器与适配器、电脑电视辅助及待机电源等众多领域注入了强大动力,推动着这些行业不断向前发展。
展望未来,随着电子技术的持续创新与突破,我们有理由相信,SM7503P 芯片将在更多新兴领域展现其非凡价值。在物联网设备蓬勃发展的浪潮中,各类低功耗、高性能的传感器节点和智能终端如雨后春笋般涌现,它们对电源的稳定性、小型化和节能性提出了更高要求。SM7503P 芯片凭借其低待机功耗、小封装以及高效的电源转换能力,有望成为物联网设备电源管理的得力助手,为万物互联的智能世界提供坚实的电力保障。
在智能家居领域,人们对家居设备的智能化、便捷化和舒适性追求无止境。SM7503P 芯片可助力智能灯具、智能家电等设备实现更加精准的电源控制,提升设备性能,优化用户体验。想象一下,在未来的智能家居环境中,灯光能够根据环境光线、用户活动状态自动调节亮度与色温,家电设备能在低功耗待机模式与高效运行模式之间无缝切换,这一切都离不开 SM7503P 芯片的卓越性能支撑。
Copyright © 2017-2021 hth官方网站 版权所有
QQ:41290014 电话:86 0755 2759 3052 E-mail:sale@linkage.cn