LED灯具低压驱动芯片的标称输入电压范围应当满足 DC5-40V,LED灯具以覆盖应
用面的需要,LED灯具耐压如能大于40V 更好;AC 12V 或24 V 输入时简单的桥
式整流器输出电压会随电网电压波动,特别是电压偏高时输出直流电压也会偏高
,LED灯具驱动IC如不能适应宽电压范围,往往在电网电压升高时会被击穿,LED
灯具光源也因此被烧毁。

LED灯具低压驱动芯片的标称输出电流要求大于1.2-1.5A,作为LED灯具用的LED
光源,1W功率的LED灯具光源其标称工作电流为350mA,3W功率的LED灯具光源其
标称工作电流为700mA,功率大的需要更大的电流,因此LED灯具照明灯具选用的
驱动IC必需有足够的电流输出,设计LED灯具产品时必需使驱动IC工作在满负输
出的70-90%的最佳工作区域。使用LED灯具满负输出电流的驱动IC在LED灯具狭小
空间散热不畅,LED灯具容易疲劳和早期失效。

LED灯具在选择时,我们需要参照LED灯具的低压驱动芯片是什么规格,那么LED
灯具对于低压驱动芯片而言有哪些要求呢?我们接着往下看。
SM4A00是输出电流可调、高性价比的单通道LED恒流驱动芯片,具有宽电源电压
范围输入、低阈值电压开启特点。解决因电源电压衰减造成的LED灯带亮度不一
致问题。

低压灯带恒流驱动芯片SM4A00内置内部电源启动模块、电压基准模块、输出电流
设置和驱动模块。
低压灯带驱动恒流芯片SM4A00 输出电流默认18mA、也可通过外置REXT电阻调
至18~108mA。芯片输出电流精度高、且恒流值不随OUT端口电压波动而变化。同
时芯片输出电流具有负温度特性,来保护LED 不受极端电压和电流的热控制,提
高实际应用的可靠性。
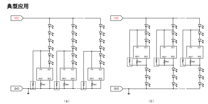
低压灯带驱动IC SM4A00 是一款即插即亮的产品,外围极为简单、可做级
联应用、扩流应用及并联应用,应用极为灵活。
LED灯低压驱动芯片SM4A00产品主要特点分析:
REXT 电阻外置,电流可调
恒 流 拐 点 电 压 低 : 20mA@VOUT_S=0.40V,VIN=5.0V;
40mA@VOUT_S=0.50V,VIN=5.0V; 60mA@VOUT_S=0.60V,VIN=5.0V;
108mA@VOUT_S=0.85V,VIN=5.0V;
输出电流负温度特性
线路简单、应用灵活,成本低
封装形式:SOT23-5
LED灯驱动芯片SM4A00目前开发的方案主要应用领域:
低压灯带5V/12V/24V/36V
模组、软灯带
室内外装饰、汽车装饰

hth网页版在线登录高低压线性恒流灯带方案产品资料方案专注12年行业内产品专家---
m.cybp2p.com
邮箱:sale@linkage.cn
高压线性恒流芯片系列,球泡灯,筒灯,投光灯,泛光灯,高低压洗墙灯系列产
品高性价比方案设计,欢迎前来选购各类型的芯片方案!!!
Copyright © 2017-2021 hth官方网站 版权所有
QQ:41290014 电话:86 0755 2759 3052 E-mail:sale@linkage.cn