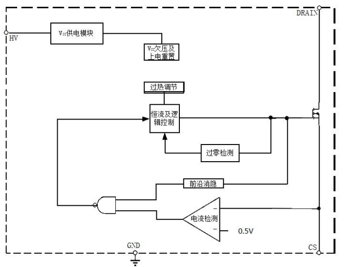
LK2866是一款降压型 LED 恒流驱动芯片。芯片工作在电感电流临界模式,适用
于 85Vac~265Vac 全范围输入电压的非隔离降压型 LED 恒流电源。LK2866芯片
内部集成 500V 功率开关,采用专利的退磁检测技术和高压 JFET 供电技术,无
需 VCC 电容和启动电阻,使其外围器件更简单,节约了外围的成本和体积。
LK2866芯片内置高精度的电流采样电路,同时采用了专利的恒流控制技术,实现
高精度的 LED 恒流输出和优异的线性调整率。

LK2866芯片工作在电感电流临界模式,输出电流不随电感量和 LED 工作电压的
变化而变化,实现优异的负载调整率。FM8301 具有多重保护功能,包括 LED 短
路保护, 芯片供电欠压保护,芯片温度过热调节等。LK2866 采用 SOP7 封装。

特点
无 VCC 电容、无启动电阻
集成高压供电功能
±5% LED 输出电流精度
应用
LED 蜡烛灯
LED 球泡灯
其它 LED 照明
LED 短路保护
过热调节功能
采用 SOP7 封装
注1:最大极限值是指超出该工作范围,芯片有可能损坏。推荐工作范围是指在
该范围内,器件功能正常,但并不完全保证满足个别性能指标。电气参数定义了
器件在工作范围内并且在保证特定性能指标的测试条件下的直流和交流电参数规
范。对于未给定上下限值的参数,该规范不予保证其精度,但其典型值合理反映
了器件性能。
注 2:温度升高最大功耗一定会减小,这也是由 TJMAX, θJA,和环境温度 TA
所决定的。最大允许功耗为 PDMAX = (TJMAX - TA)/θJA 或是极限范
围给出的数字中比较低的那个值。
注 3:人体模型,100pF 电容通过 1.5KΩ 电阻放电。

注 4:典型参数值为 25?C 下测得的参数标准。
注 5:规格书的最小、最大规范范围由测试保证,典型值由设计、测试或统计分
析保证。
非隔离恒压驱动IC LK2866分为三款型号LK2866A,LK2866B,LK2866C,每款对应
的型号除了电流不同,其它地方都是相同的,具体怎么使用看LED生产厂商的需
求。
如需要最新技术资料方案,请与hth网页版在线登录电子联系4000336518或者联系
13802567304
hth网页版在线登录电子高压线性恒流芯片行业专家,高压测光源灯条高压线性方案,高压漫
反射灯条方案,高压洗墙灯方案,LED电源芯片12年专注研发电子芯片产品---
http://www.linkage.cn
Copyright © 2017-2021 hth官方网站 版权所有
QQ:41290014 电话:86 0755 2759 3052 E-mail:sale@linkage.cn