筒灯LED驱动控制恒流ic方案高功率SM2318E替换RM9003
恒流驱动控制icSM2318E 是一款高功率因数 LED 线性恒流控制芯片,支持可控硅调光,
调光过程多段 LED 灯可实现同亮同灭,亮度均匀变化。
芯片内部集成维持电流电路,可控硅调光应用无需外部维持电流,进而提高系统效率和
LED 光效。
芯片具有过温调节功能,提升系统应用可靠性。

线性恒流控制icSM2318E 是一款高功率因数 LED 线性恒流控制芯片,支持可控硅调光,
调光过程多段 LED 灯可实现同亮同灭,亮度均匀变化。芯片内部集成维持电流电路,可控
硅调光应用无需外部维持电流,进而提高系统效率和 LED 光效。芯片具有过温调节功能,
提升系统应用可靠性。
SM2318E主要特点如下:
本司专利的恒流控制技术
OUT 端口输出电流外置可调,范围 5mA~120mA
芯片间输出电流偏差<±4%
输入电压:120Vac/220Vac
PF >0.9
THD<15%
具有过温调节功能
支持可控硅调光,可实现多段 LED
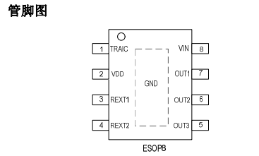
灯同亮同灭封装形式:ESOP8
主要应用领域:
LED 恒流驱动
LED 球泡灯,吸顶灯
筒灯等灯具类产品
注 1:散热表现与散热片尺寸、PCB 厚度与层数息息相关。实际应用条件下的热阻值会与
测试值存在一定差异,使用者可选择适当的封装与 PCB 布局,以达到理想的散热表现。注
注 2:电流负温度补偿起始点为芯片内部设定温度 150°C。
注 3:芯片焊接到 2mm*2mm,厚度为 1mm 的铝基板上。
输出 LED 灯珠压降及各段灯珠比例设计

SM2318E 系统若想获得较佳的光效和较高的功率因数,建议 OUT 端口灯珠压降比例依次
为 9:5:2,如果想获得更高的光效,可适当调整各段灯珠比例。
芯片散热措施
SM2318E 芯片内部具有温度补偿电路,为避免芯片温度高引起掉电流现象,系统需采用良
好的散热处理,确保芯片工作在合理的温度范围,常见散热措施如下:
1)系统采用铝基板;
2)增大 SM2318E 衬底的覆铜面积;
3)增大整个灯具的散热底座 ;
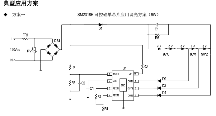
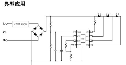
1.调节 R1,R2 电阻值改变系统输出电流值。
2.根据不同可控硅调光器性能,可通过调节 R3 电阻值改变系统工作的泄放电流。
3.根据频闪指数要求,可选择是否加 E1 电容及 R6 电阻。
SM2318E 支持芯片并联应用方案。若系统输出功率过大
导致芯片温度高时,可以采用多颗 SM2318E 芯片并联使
用。

过温调节功能
当 LED 灯具内部温度过高,会引起 LED 灯出现严重的光衰,降低 LED 使用寿命。
SM2318E 集成了温度补偿功能, 当芯片内部达到 150ºC 过温点时,芯片将会自动减小输
出电流,以降低灯具内部温度,提高系统可靠性。
欢迎社会各界人士前来华体汇官网app入口咨询订购,免费拿样,提供方案技术支持4000336518