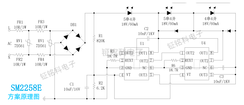
室外投光灯在建筑物照明中起着非常重要的作用,而室内照明中频闪问题一直是困扰人们的一个难题。而现在,LED驱动芯片SM2258E的出现为这两个问题提供了解决方案。

SM2258E是一款先进的LED照明控制芯片,专为高功率LED照明应用而设计。这款芯片集成了多种高级功能,使其成为LED照明的理想选择。
首先,LED驱动芯片SM2258E具有高功率因数,这意味着它可以有效地控制LED电流,从而实现更高的能效和更长的灯具寿命。此外,它还集成了700V高压MOSFET,这使得它能够承受高电压和浪涌,从而提高了系统的稳定性和可靠性。

LED驱动芯片SM2258E还具有过温保护功能,可以在芯片温度过高时自动降低输出电流,从而防止芯片过热并确保系统的可靠性。此外,它还具有输入线电压补偿功能,可以根据输入线电压的变化自动调整输出电流,从而保持稳定的功率输出。

除了这些高级功能外,SM2258E还具有简单的系统结构和低成本。它只需要很少的外围元件,使得PCB走线简洁,降低了方案成本。同时,它的打线优化设计使得多芯片并联时走线更加方便。
SM2258E是一款功能强大、性能可靠的LED照明控制芯片,适用于各种室内外照明应用场景。它的高效、稳定和低成本特性使得它成为LED照明的理想选择。
hth网页版在线登录电子--公司介绍:
hth官方网站是一家从事18年LED驱动芯片IC方案供应商,主营LED线性恒流驱动芯片,ACDC和DCDC恒流恒压电源管理芯片。开发了LED芯片电源方案近5000款,经典方案98款,如果你也是做LED灯饰照明,小家电控制板,过欠压保护器,LED高低压灯带,LED幻彩灯带,LED景观亮化的工厂欢迎一起交流沟通!
Copyright © 2017-2021 hth官方网站 版权所有
QQ:41290014 电话:86 0755 2759 3052 E-mail:sale@linkage.cn