由于高亮度LED的出现,LED由单纯的指示功能跨进了照明领域,照明领域有多大就不要多费口舌了。只是目前国内真正了解LED技术的人并不多,曾经发现才使用了几个月的LED灯就出现了严重的光衰现象,而LED的理论寿命是10万小时以上!
近年来,LED行业的高速发展,带动了同一条产业链上装修灯饰的红火。LED照明灯具行业的需求空间还将持续扩大。 一灯饰行业的国内市场需求未来几年内应该不会出现大的波动,特别是室内LED照明灯具产业将保持持续增长的势头,越是高端的家居装饰就越需要设计唯美的LED照明灯具加以映衬,才能展现出应有的设计效果,另一方面,灯光已经成为一道亮丽的城市风景线,好的灯饰能够极大的提升一个城市的品位,城市建设对灯饰照明产品的需求将会继续增加。

高压漫反射侧光源灯箱灯条就是一种装饰性的LED照明产品,由于美国现在禁止进口芯片,芯片技术被压制,所以国内性价比高的LED半导体电源芯片就变得受欢迎起来。
毫无疑问,高压线性恒流IC LK2085正是因为其外部电子元器件少所以会受到欢迎,在高压漫反射侧光源灯箱灯条中由于以往芯片选型不好,导致灯条不够耐用,不够稳定,光色衰比较严重。所以很多厂商都在苦恼怎么去选择高压漫反射侧光源灯箱灯条方案。
高压线性恒流IC LK2085有着过温保护调节功能,恒功率,宽电压输入的特点。

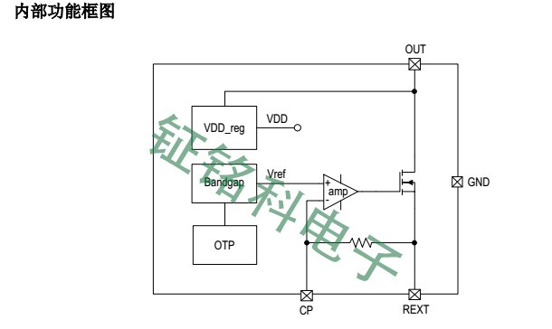
高压线性恒流IC LK2085有着极好的恒流性能,在额定要求范围内,可以通过外置的REXT电阻值设置电流值通过的大小。
高压线性恒流ICLK2085如果在高压漫发射侧光源灯箱灯条中方案应用如果没有使用线绕电阻,或者加贴片电容的方法,那么这款高压线性方案的抗雷击能力就会变弱,如果加上一个电阻FR1的话,高压线性恒流IC LK2085所涉及的高压线性方案抗浪涌雷击能力就会上升到1200V,比起之前翻了一倍。
在高压漫反射侧光源灯箱灯条中,高压线性恒流IC, LK2085简单高效能的作用就能够得以体现出来。
相信绝大多份人在认识到了LK2085的高光效恒功率特点之后,会将这款高压线性恒流芯片作为灯箱灯条侧光源方案的首选方案。
hth网页版在线登录电子高压线性恒流芯片行业专家,高压测光源灯条高压线性方案,高压漫反射灯条方案,高压洗墙灯方案,LED电源芯片12年专注研发电子芯片产品---//m.cybp2p.com
Copyright © 2017-2021 hth官方网站 版权所有
QQ:41290014 电话:86 0755 2759 3052 E-mail:sale@linkage.cn