低THD(总谐波失真)和高功率因数(PF)是LED线性恒流控制芯片的两个重要特性。
THD是描述信号质量的一个重要参数,对于LED照明产品来说,低THD意味着LED的发光稳定性更高,颜色还原更准确,同时也降低了电磁干扰(EMI)的产生。
功率因数(PF)则是衡量电器设备有效利用电能的能力,高PF值表示设备能够更有效地利用电能,减少无功功率的消耗,从而节省能源,降低设备的运行成本。

LED线性恒流控制芯片的主要作用是控制LED的电流,使其保持稳定,从而保证LED的发光稳定性和寿命。具有低THD和高PF的LED线性恒流控制芯片能够更好地满足LED照明的需求,提高LED照明的效率和稳定性。
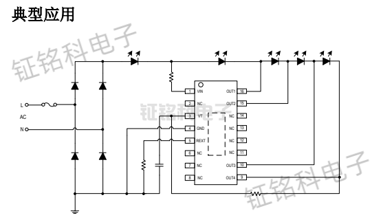
其中SM2255PHG就是是一款五段低THD、高功率因数LED线性恒流控制芯片。它集成了700V高压MOSFET,并采用独特创新的器件工艺技术,使得芯片具有卓越的抗雪崩击穿及浪涌能力。据测试,这款芯片在外围无保护器件的情况下,可以通过600V雷击浪涌测试,充分展现了其强大的稳定性和可靠性。
为了确保系统的安全运行,SM2255PHG还内置了过温保护功能。当芯片温度过高时,该功能将自动启动,从而防止芯片受损,提升系统应用的可靠性。此外,通过调节外围的REXT电阻值,用户还可以对输出电流进行灵活调节,以满足不同场景的需求。
值得一提的是,SM2255PHG还集成了输入线电压补偿功能。当输入线电压过高时,芯片将通过外置的补偿电阻减小输出电流,从而确保输入功率基本不受线电压变化的影响。这一功能使得SM2255PHG在LED照明、建筑亮化工程等领域具有广泛的应用前景。

在应用方面,SM2255PHG主要适用于投光灯、工矿灯等LED照明产品。由于其系统结构简单、外围元件少、方案成本低等特点,使得这些照明产品的设计和生产变得更加便捷和经济。此外,SM2255PHG的出色性能还使得LED照明产品在稳定性、能效和寿命等方面得到了显著提升。
SM2255PHG低THD高功率因数LED线性恒流控制芯片凭借其卓越的稳定性、可靠性和灵活性,在LED照明领域展现出了广阔的应用前景。无论是对于LED照明产品的设计者还是生产者来说,这款芯片都是一款值得信赖的优秀选择。随着LED技术的不断发展和普及,我们期待SM2255PHG在未来能够为更多的LED照明产品带来更加出色的性能和体验。
Copyright © 2017-2021 hth官方网站 版权所有
QQ:41290014 电话:86 0755 2759 3052 E-mail:sale@linkage.cn