随着LED照明技术的日益成熟和普及,市场上对高品质LED控制芯片的需求日益增长。LED驱动芯片SM2185N作为一款五通道智能调光、无频闪的LED线性恒流控制芯片,其出色的性能和灵活的应用特点,使其在小功率LED灯具驱动领域具有广泛的应用前景。

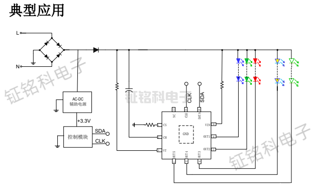
LED驱动芯片SM2185N具备五个独立的高压输出端口,每个端口都能产生1024级的电流灰度变化,从而驱动LED灯的亮灭,实现智能调光。这一特性使得LED灯具能够根据环境光线的变化或用户的使用需求,自动调节亮度,为用户带来更加舒适、节能的照明体验。
除了智能调光功能外,SM2185N还具备DA功能,能够通过IIC协议输入端口接收MCU输出的控制信号,精确调整每个端口的电流变化。这种灵活的控制方式使得LED灯具能够实现更加精确、细致的光线调节,满足用户多样化的照明需求。
值得一提的是,LED驱动芯片SM2185N的输出电流无频闪,这意味着在LED灯具使用过程中,用户不会感受到任何闪烁或不稳定的现象。这一特性对于提高LED灯具的舒适性和用户体验至关重要。
此外,LED驱动芯片SM2185N还集成了输入线电压补偿功能,这一功能使得LED灯具在各种电压波动的情况下都能保持稳定的输出电流,从而确保LED灯具的稳定性和可靠性。这一特性对于满足欧洲最新ERP标准具有重要意义,使得SM2185N在欧盟等地区的LED照明市场具有广泛的应用前景。

在封装方面,LED驱动芯片SM2185N采用QFN定制封装,这种封装方式有助于实现LED驱动器更小体积的设计。随着LED照明产品不断向小型化、轻薄化方向发展,SM2185N的封装特点无疑为其在市场上的竞争力增添了重要筹码。
综上所述,LED驱动芯片SM2185N以其五通道智能调光、无频闪、满足新ERP标准的LED线性恒流控制芯片特点,以及灵活的应用和先进的封装技术,为小功率LED灯具驱动领域带来了全新的解决方案。随着LED照明技术的不断发展和市场需求的不断增长,SM2185N有望在未来成为LED控制芯片市场的一股重要力量。
Copyright © 2017-2021 hth官方网站 版权所有
QQ:41290014 电话:86 0755 2759 3052 E-mail:sale@linkage.cn