SM4A20T低压灯带恒流芯片是高性价比的单通道LED恒流驱动芯片,具有宽电压范围输入、低阈值电
压开启特点,解决因电源电压衰减造成的LED灯带亮度不一致问题。
SM4A20T低压灯带恒流芯片内置内部电源启动模块、电压基准模块、输出电流设置和驱动模块。

SM4A20TLED电源芯片输出电流为18mA。芯片输出电流精度高、且恒流值不随OUT端口电压波动
而变化。同时芯片输出电流具有负温度特性,来保护LED不受极端电压和电流的
热控制,提高实际应用的可靠性。
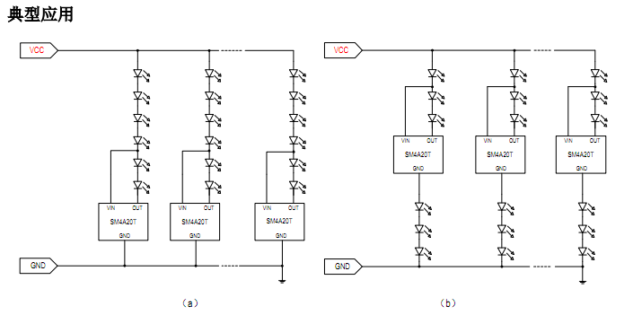
SM4A20T低压灯带恒流芯片是一款即插即亮的产品,外围极为简单、可做级联应用、扩流应用及并
联应用,应用极为灵活。

低压灯带恒流IC SM4A20T产品主要特点:
输入电源电压:2~40Vdc
输出电流:18mA
OUT 端口耐压:40V
输出电流精度:±10%
恒流拐点电压低:
18mA@VOUT_S=0.40V,VIN=5.0V;
输出电流负温度特性
线路简单、应用灵活,成本低
封装形式:SOT23-3

模组、软灯带
室内外装饰、汽车装饰
恒流特性
SM4A20T低压灯带恒流IC OUT 端口开关响应测试曲线
1)SM4A20T 可实现低电压恒流开启且输出电流精度高,芯片间输出电流偏差小于±10%;
2)如下图所示,达到恒流拐点后,输出电流受 OUT 端口电压 VOUT 影响极小。
上图中,VCC 是外部输入直流电源,Rext 电阻用于设置芯片输出电流值;
OUT 端口负载的 LED 数量 NLED 由 LED 灯珠类型和VCC 电压决定:NLED=(VCC-VOUT)/VLED; 例:VCC=24V、VOUT=4V、VLED=3.2V 时,NLED=(24V?4V)/3.2V =6;
其中 NLED 表示串接的LED 数量;VOUT 表示 SM4A20T 的 OUT 端口与芯片 GND 间的电压(VOUT 应高于 IOUT 恒流拐点电压);
实际应用中,Vin~GND 的电压应<40V;为保证 Iout 恒流及布线的方便性,建议 Vin 与 OUT 间接 2 颗以上灯珠, 且芯片可串接在灯珠间的任意位置;
注 1:最大输出功率受限于芯片结温,最大极限值是指超出该工作范围,芯片有可能损坏。在极限参数范围内工作,器件功能正常, 但并不完全保证满足个别性能指标。
注 2:RθJA 在 TA=25°C 自然对流下根据 JEDEC JESD51 热测量标准在单层导热试验板上测量。
注 3:温度升高最大功耗一定会减小,这也是由 TJMAX,RθJA 和环境温度 TA 所决定的。最大允许功耗为 PD = (TJMAX-TA)/ RθJA 或是极限范围给出的数值中比较低的那个值。
hth网页版在线登录电子高压线性恒流芯片行业专家,高压测光源灯条高压线性方案,高压漫反射灯条方案,高压洗墙灯方案,LED电源芯片12年专注研发电子芯片产品---//m.cybp2p.com
Copyright © 2017-2021 hth官方网站 版权所有
QQ:41290014 电话:86 0755 2759 3052 E-mail:sale@linkage.cn