18年线性恒流IC,电源芯片方案。服务热线:133-3291-3059(微信同号)

低压线性恒流ic方案SM15121T低阈值开启特点灯带应用电路

作者:小编    发布时间:2018-08-30 17:43:59    浏览量:

 

 
 
 
 
最低成本低压线性恒流ic模组线性方案SM15121T应用
 
 
 
低压恒流驱动SM15121T是输出电流可调、高性价比的单通道LED恒流驱动芯片,具有宽电
 
源电压范围输入、低阈值电压开启特点。解决因电源电压衰减造成的LED灯带亮度不一致问
 
题。SM15121T内置内部电源启动模块、电压基准模块、输出电
流设置和驱动模块。
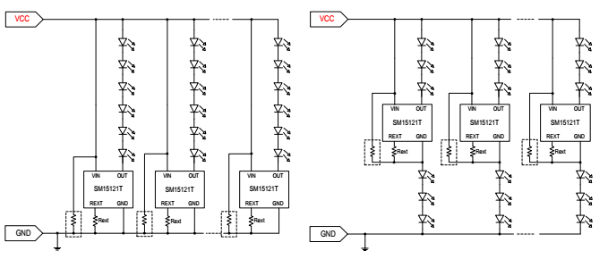
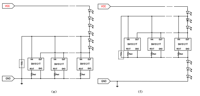
SM15121T并联扩流方案
SM15121T并联扩流方案1
































SM15121T典型应用方案图








SM15121T管脚图




 




SM15121T并联扩流方案1

 
 
低压SM15121T内置内部电源启动模块、电压基准模块、输出电流设置和驱动模块。
 
SM15121T输出电流默认18mA、也可通过外置REXT电阻调至18~108mA。芯片输出电流精度
 
高、且恒流值不随OUT端口电压波动而变化。同时芯片输出电流具有负温度特性,来保护
 
LED不受极端电压和电流的热控制,提高实际应用的可靠性。
SM15121T是一款即插即亮的产品,外围极为简单、可做级联应用、扩流应用及并联应用,
 
应用极为灵活。
低压恒流驱动芯片SM15121T:特点
输入电源电压:2~40Vdc
输出电流范围:
REXT 悬空,IOUT=18mA;
REXT 外接电阻,IOUT=18~108mA 可调
OUT 端口耐压:40V
输出电流精度:± 5%
REXT 电阻外置,电流可调
恒流拐点电压低:
20mA@VOUT_S=0.40V,VIN=5.0V;
40mA@VOUT_S=0.50V,VIN=5.0V;
60mA@VOUT_S=0.60V,VIN=5.0V;
108mA@VOUT_S=0.85V,VIN=5.0V;
输出电流负温度特性
线路简单、应用灵活,成本低
封装形式:SOT23-5
SM15121T内部功能框图


 
 
 
 
低压恒流驱动icSM15121T应用领域
模组、软灯带
室内外装饰、汽车装饰
 
 
注  1:最大输出功率受限于芯片结温,最大极限值是指超出该工作范围,芯片有可能损坏
 
。在极限参数范围内工作,器件功能正常,
但并不完全保证满足个别性能指标。
注 2:RθJA在  TA=25°C自然对流下根据  JEDEC JESD51热测量标准在单层导热试验板
 
上测量。
注 3:温度升高最大功耗一定会减小,这也是由 TJMAX,RθJA和环境温度  TA所决定的
 
。最大允许功耗为  PD = (TJMAX-TA)/ RθJA或是极限范
围给出的数值中比较低的那个值。
 
注  4:电气工作参数定义了器件在工作范围内并且在保证特定性能指标的测试条件下的直
 
流和交流电参数。对于未给定上下限值的参
数,该规范不予保证其精度,但其典型值合理反映了器件性能。
注 5:规格书的最小、最大参数范围由测试保证,典型值由设计、测试或统计分析保证。
 
 
 
SM15121T可实现低电压恒流开启且输出电流精度高,芯片间输出电流偏差小于±5%;
2)如下图所示,达到恒流拐点后,输出电流受 OUT端口电压  VOUT
影响极小。
SM15121T订购信息图
SM15121T订购信息图
 
 
有需要联系订购的朋友请华体汇官网app入口电子,提供方案技术支持,免费拿样4000336518
或者联系13802567304 林先生
 
 
 


推荐新闻

关注官方微信

led芯片
Baidu
map