18年线性恒流IC,电源芯片方案。服务热线:133-3291-3059(微信同号)

恒功率LED驱动芯片SM2510P高PF低THD投光灯方案应用设计

作者:小编    发布时间:2018-10-29 18:03:07    浏览量:

 

 
 
 
恒功率LED驱动芯片SM2510P高PF低THD投光灯方案替换CL
 
恒功率 LED 驱动芯片SM2510P 是一款高 PF、低 THD、恒功率 LED 驱动芯片。芯片采
 
用专利的分段导通控制模式,驱动外置 MOSFET,控制输出电流跟随线网电压变化得到
 
平滑的正弦波电流,使得系统具有较高的 PF和较低的 THD,电路简单,成本低。芯片
 
通过 REXT 端口电阻设置输入功率,且在输入电压变化时,可自适应调节,维持输入功
 
率基本恒定。芯片可通过 DIM 端口实现 PWM 调光功能。芯片内置上电欠压保护、内置
 
过温保护功能,同时,芯片可通过外置 RNTC 电阻设置温度调节起始点。
 
 
 SM2510P PCBlayout注意事项
 
 
 
 
恒功率 LED 驱动芯片SM2510P特点
VIN 输入电压:8-650V
输入电压:120Vac/220Vac
PF>0.9
THD<10%
可选的 3、4 或 5 段式应用
输入线电压补偿
具有输入欠压保护功能
具有过温调节功能
支持外围调节过温点
芯片可与 LED 共用 PCB 板
封装形式:SOP16
 
 
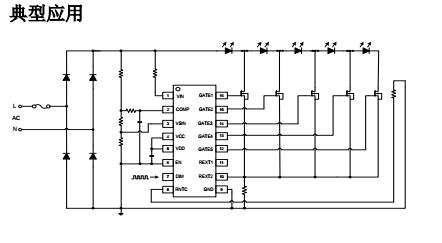
SM2510P典型应用方案原理图
 
恒功率 LED 驱动芯片SM2510P
 
注 1:最大输出功率受限于芯片结温,最大极限值是指超出该工作范围,芯片有可能损
 
坏。在极限参数范围内工作,器件功能正常, 但并不完全保证满足个别性能指标。
注 2:RθJA 在 TA=25°C 自然对流下根据 JEDEC JESD51 热测量标准在单层导热试
 
验板上测量。
注 3:温度升高最大功耗一定会减小,这也是由 TJMAX,RθJA 和环境温度 TA 所决定
 
的。最大允许功耗为 PD = (TJMAX-TA)/ RθJA 或是极限范围给出的数值中比较低的
 
那个值。
SM2510P典型应用图

 
 
 
 
 
 
 
恒功率 LED 驱动芯片SM2510P
注 4:电气工作参数定义了器件在工作范围内并且在保证特定性能指标的测试条件下的
 
直流和交流电参数。对于未给定上下限值的参数,该规范不予保证其精度,但其典型值
 
合理反映了器件性能。
注 5:规格书的最小、最大参数范围由测试保证,典型值由设计、测试或统计分析保证
 
注 6:当 RNTC 脚位悬空时,电流负温度补偿起始点为芯片内部设定温度 115°C。
 
 
 
恒功率 LED 驱动芯片SM2510P功能表述
SM2510P 是一款高 PF、低 THD、恒功率 LED 驱动芯片。芯片采用专利的分段导通控
 
制模式,驱动外置 MOSFET, 控制输出电流跟随线网电压变化得到平滑的正弦波电流,
 
使得系统具有较高的 PF 和较低的 THD,电路简单,成本低。芯片通过 REXT 端口电阻
 
设置输入功率,且在输入电压变化时,可自适应调节,维持输入功率基本恒定。
芯片可通过 DIM 端口实现 PWM 调光功能;芯片内置上电欠压保护、内置过温保护功能
 
,同时,芯片可通过外置 RNTC 电阻设置温度调节起始点。
 
SM2510P管脚图
 
 
恒功率 LED 驱动芯片SM2510P启动输出
系统上电,输入有电压后,对 VDD 端口电容进行充电,当 VDD 端口电压达到内部启动
 
阈值后 IC 会判断 COMP
端口电压,当 COMP 端口电压也大于 COMP 的判断阈值后芯片正常启动输出。
 
 
 
恒功率 LED 驱动芯片SM2510P输出电流
芯片通过 VSIN 和 COMP 端口检测线网电压,实现输入电压变化时,输入功率基本保持
 
不变;同时,芯片内部箝位 REXT 端口最大电压,防止电流峰值过大对 LED 灯和 
 
MOSFET 造成损伤。
 
 
 
 
恒功率 LED 驱动芯片SM2510P过温调节功能
 
 
当 LED 灯具内部温度过高,会引起 LED 灯出现严重的光衰,降低 LED 使用寿命。
 
SM2510P 集成了温度补偿功能, 当芯片内部达到 115ºC 过温点时,将会自动减小输出
 
电流,以降低灯具内部温度,提高系统可靠性,同时,芯片也可通过 RNTC 端口电阻设
 
置温度保护点。
 
 
 
 
恒功率 LED 驱动芯片SM2510P RNTC 调节功能
 
当系统外围器件温度过高时,可通过 NTC 电阻检测温度过高器件,反馈到 RNTC 引脚
 
,进行温度调节,提高系统应用可靠性
 
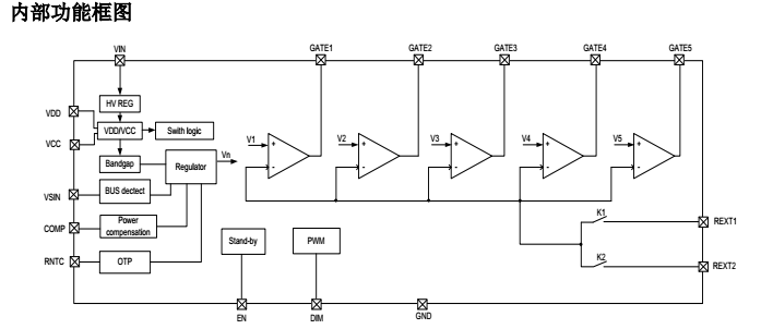
 SM2510P内部功能框图
 
 
 
恒功率 LED 驱动芯片SM2510P应用领域
投光灯
工矿灯
灯具类 LED
 
 
如有需要订购的朋友们请华体汇官网app入口林生13802567304,提供方案技术支持,免费拿样
 
4000336518


推荐新闻

关注官方微信

led芯片
Baidu
map