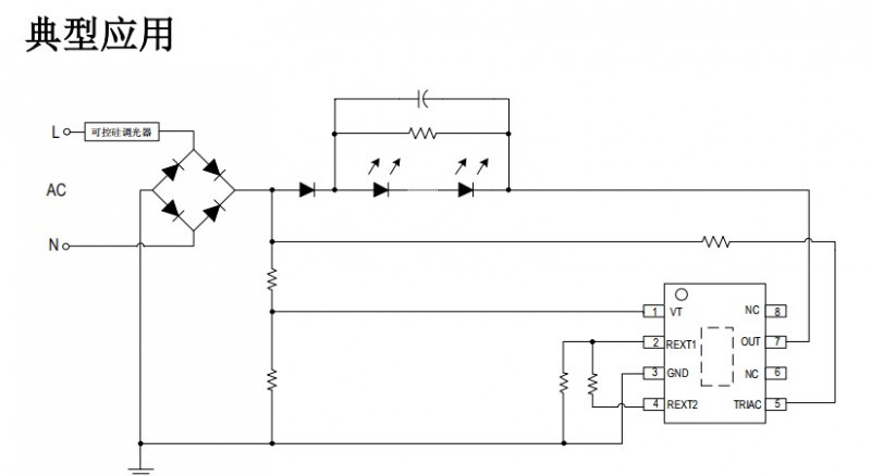
线网电压补偿的双通道LED线性恒流ICSM2396EK替换长运通方案
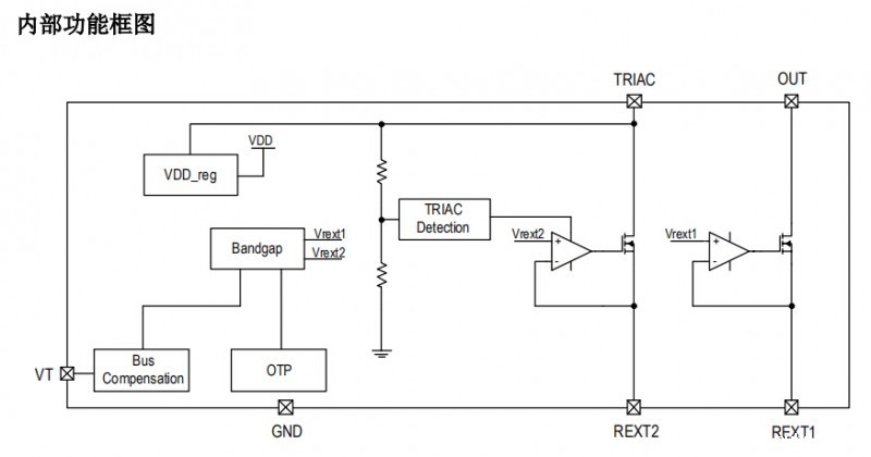
可控硅检测、线网电压补偿的双通道LED线性恒流控制ICSM2396EK是一款高效带可控硅
检测、线网电压补偿的双通道LED线性恒流控制芯片,该芯片使用本司专利的恒流和恒
功率控制技术,通过检测 VT端口电压控制输出电流,从而使得在输入电压变化时,输
入功率基本保持不变;同时,通过检测 TRIAC端口电压控制输出电流,从而使得在无可
控硅接入系统时,关闭 TRIAC端口,在有可控硅接入系统时,正常开启 TRIAC端口。
芯片具有过温调节功能,当芯片温度过高,减小输出电流,提
高系统应用可靠性。
线性恒流控制ICSM2396EK:
本司专利的恒流控制技术
OUT端口输出电流外置可调,最大电流可达 260mA
TRIAC端口输出电流外置可调,
最大电流可达 50mA
芯片间输出电流偏差<±5%
线性恒流控制ICSM2396EK:
输入电压:120Vac/220Vac
内置线网电压补偿
内置可控硅在线检测
支持可控硅调光应用
具有过温调节功能
芯片可与 LED共用PCB板
封装形式:ESOP8
线性恒流控制ICSM2396EK应用领域
灯丝灯,LED球泡灯
筒灯
线性恒流控制ICSM2396EK
注1:最大输出功率受限于芯片结温,最大极限值是指超出该工作范围,芯片有可能损
坏。在极限参数范围内工作,器件功能正常,
但并不完全保证满足个别性能指标。
注 2:RθJA在 TA=25°C自然对流下根据 JEDEC JESD51热测量标准在单层导热试验
板上测量。
注 3:温度升高最大功耗一定会减小,这也是由 TJMAX,RθJA和环境温度 TA所决定
的。最大允许功耗为 PD = (TJMAX-TA)/ RθJA或是极限范
围给出的数值中比较低的那个值。
线性恒流控制ICSM2396EK
注 4:电气工作参数定义了器件在工作范围内并且在保证特定性能指标的测试条件下
的直流和交流电参数。对于未给定上下限值的参
数,该规范不予保证其精度,但其典型值合理反映了器件性能。
注 5:规格书的最小、最大参数范围由测试保证,典型值由设计、测试或统计分析保证
。
注 6:电流负温度补偿起始点为芯片内部设定温度 145°C。
线性恒流控制ICSM2396EK:
是一款高效带可控硅检测、线网电压补偿的双通道 LED线性恒流控制芯片,该芯片使
用本司专利的
恒流和恒功率控制技术,通过检测 VT端口电压控制输出电流,从而使得在输入电压变
化时,输入功率基本保持不
变;同时,通过检测 TRIAC端口电压控制输出电流,从而使得在无可控硅接入系统时,
关闭 TRIAC端口,在有可控
硅接入系统时,正常开启 TRIAC端口。
芯片具有过温调节功能,当芯片温度过高,减小输出电流,提高系统应用可靠性。
线性恒流控制ICSM2396EK
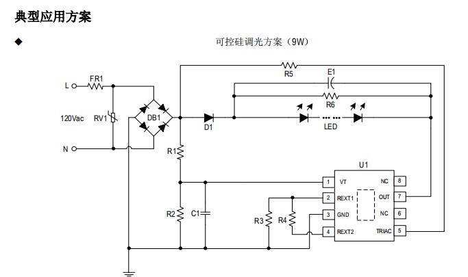
输入线电压补偿
SM2396EK通过 VT端口检测输入电压的变化,当输入电压升高时,减小输入电流;当输
入电压降低时,增大输
入电流,故可使系统输入功率不随输入线网电压的波动而变化,基本保持恒定。
通过 VT端口电压设定来获取较好的恒功率效果,例如:若想 108Vac-132Vac恒功率
效果好,可在 108Vac时设定
VT端口为 1.2V,若想 120Vac-132Vac恒功率效果好,可在 120Vac时设定 VT端
口为 1.2V.

线性恒流控制ICSM2396EK
芯片散热处理
SM2396EK芯片内部具有温度补偿电路,为避免芯片温度高引起掉电流现象,系统需采用
良好的散热处理,确
保芯片工作在合理的温度范围,常见散热措施如下:
1)系统采用铝基板;
2)增大 SM2396EK衬底的覆铜面积;
3)增大整个灯具的散热底座
线性恒流控制ICSM2396EK过温调节功能:
当 LED灯具内部温度过高,会引起 LED灯出现严重的光衰,降低 LED使用寿命。
SM2396EK集成了温度补偿功
能,当芯片内部达到 145ºC过温点时,将会自动减小输出电流,以降低灯具内部温度,
提高系统可靠性。

提供方案技术支持,免费拿样13802567304 林先生