高性能的原边反馈控制功率开关芯片SM7525功率兼容方案应用设计方案
概述
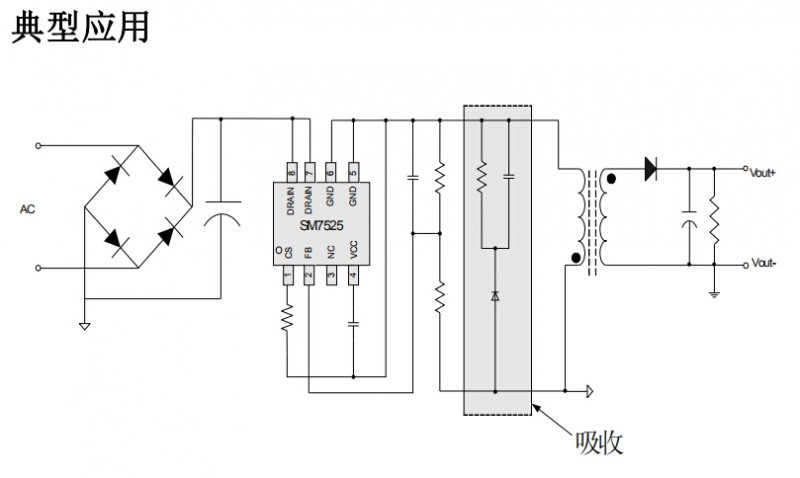
高性能的原边反馈控制功率开关芯片SM7525 是应用于离线式小功率 AC/DC 开关电源的
高性能的原边反馈控制功率开关芯片,在全电压输入范围内实现高精度恒流输出,精度
小于±5%,无需环路补偿,并可使系统节省光耦,TL431 以及变压器辅助绕组等元件,
降低成本。
芯片内部集成了逐周期峰值电流限制,FB 过压保护,输出开/短路保护和开机软启动等
保护功能,以提高系统的可靠性。

高性能的原边反馈控制功率开关芯片SM7525特点
拓扑结构支持:反激及低成本
BUCK-Boost
采用 730V 单芯片集成工艺
宽电压 85Vac~265Vac 输入电压范围内恒流精度小于±5%
全电压范围内兼容 1~5W
专利无需辅助绕组的原边
反馈控制技术可使系统节省光耦、431 等元件
无需环路补偿
内置前沿消隐电路(LEB)
逐周期峰值电流比较
输出开/短路保护
内置开机软启动
内置 FB 过压保护及短路保护等功能
封装形式:SOP8

高性能的原边反馈控制功率开关芯片SM7525应用领域
LED 照明驱动
高性能的原边反馈控制功率开关芯片SM7525功能表述
SM7525 芯片是应用于离线式小功率 AC/DC 开关电源的高性能原边反馈控制功率开关芯
片,全电压输入范围内,恒流输出精度小于±5%。SM7525 芯片通过原边采样的方式来
控制系统的输出,内部集成高压工艺,节省光耦和 TL431 等元件。芯片内部集成了逐
周期峰值电流限制,FB 过压保护,输出开/短路保护和开机软启动等保护功能,以提高
系统的可靠性。

高性能的原边反馈控制功率开关芯片SM7525启动和控制
SM7525 芯片内部集成高压功率开关,通过高压启动,省掉传统电路的外部启动电阻,
以及辅助绕组的供电电路,极大的降低了系统成本。
工作原理
SM7525 芯片要实现原边高精度的恒流控制,反激电源应用系统必须工作在不连续模式
(DCM)下。芯片通过检测原边辅助绕组的反激电压,来控制输出电流电压。输出电流仅
由变压器的匝比及峰值电流控制:
高性能的原边反馈控制功率开关芯片SM7525工作频率
SM7525 芯片开关频率由负载大小来控制,不需要外接频率设置元件(最大开关频率要
小于 65K)。在不连
续模式的反激电源中,最大输出功率==
其中 LP 为原边绕组电感量,IP 为原边绕组峰值电流。由公式 3 可知,原边绕组电感
量的改变会导致最大输出功率和恒流模式下输出的恒流电流的变化。为了补偿原边电感
量变化,芯片内部环路将开关频率锁定,锁定的开关频率可表示为:
高性能的原边反馈控制功率开关芯片SM7525:
因为消磁时间 TDEMAG 和电感量成反比, 通过频率锁定,LP 和 FSW 的乘积保持不变
。所以最大输出功率和恒流模式下的恒流电流不会随原边电感量变化。SM7525 芯片能
最大补偿电感量±10%的变化。
高性能的原边反馈控制功率开关芯片SM7525电流检测和LEB
SM7525 芯片通过 CS 端检测外置检测电阻上的电压控制功率开关管的动作,从而实现
对变压器原边电流控制,提供逐周期峰值电流限制。开关电流通过外接的检测电阻输入
芯片 CS 脚。
为了消除高压功率管在开启瞬间产生的尖峰造成的干扰,内置前沿消隐电路,避免芯片
在功率管开启瞬间产生误动作,这样就可以省去外围 RC 滤波电路,节约系统成本。
高性能的原边反馈控制功率开关芯片SM7525保护控制
SM7525 芯片完善的各种保护功能提高了电源系统的可靠性,包括:逐周期峰值电流限
制,输出短路保护,
FB 过压保护,软启动控制等。

IC 的 5、6 脚需要铺铜散热,即顶层与底层均需要铺铜,以降低芯片的温度及提高系
统的性能。
DRAIN 脚布线时到变压器的环路距离尽量短,环路面积要小,不能采用大面积铺铜。
FB 脚布线时,一定要远离高压环路,间距≥1mm 以免受到干扰。