LED高压灯条逐渐兴起,但LED高压灯条行业的成熟和市场的成熟却展现出日新月异的变化和日益巨大的空间。LED高压灯条的未来,“想象力就是第一生产力”。
灯光可以根据环境或心情变化,是未来人们的不变追求。装饰性照明仍然是不可忽略的巨大市场。专注于LED高压灯条照明,路灯等领域的企业生意一直非常好。

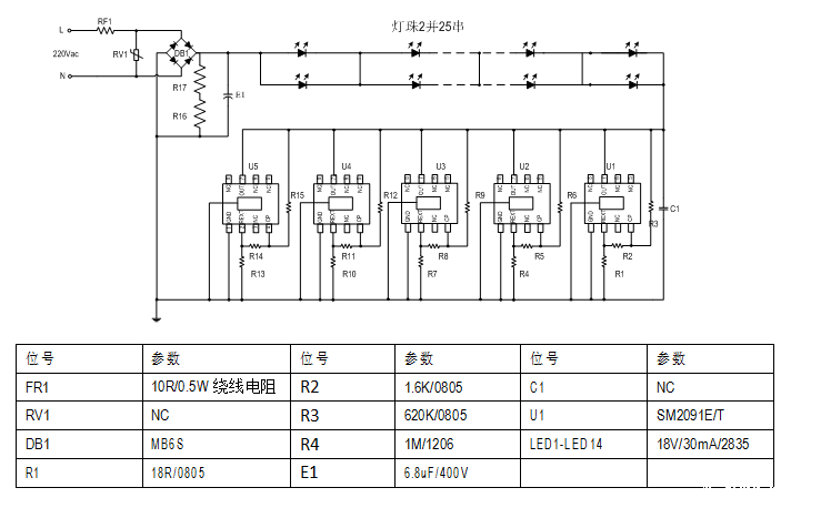
高压LED灯条闪耀上市破了传统外置驱动的独立连接技术,可直接连接 220V/50Hz 交流电,不需外接LED 驱动电源。LED高压灯条将驱动与 LED 模块光源的完美集成,突破了传统外置驱动的独立连接技术,可直接连接 220V/50Hz 交流电,不需外接LED 驱动电源。

我国传统的LED灯条主要还是以12V或24V接入电压为主,必需带外置的LED电源转换器来实现照明应用,这些产品给工作人员的安装过程中带来极大的不便和时间上的浪费,而且故障率高。
想要LED高压灯条的质量更加好,那么高压灯条所用的单通道高压线性恒流芯片产品地位显得十分重要,因为LED高压灯条能够进行工作的前提就是要有芯片的驱动,所以今天在这里说的就是一款单通道的高压线性恒流灯条芯片LK2085.对于这款芯片,想必大家是知之甚少。也不知道这款芯片是否真的能够用在LED高压灯条中,所以我给大家介绍一下这款单通道的高压线性恒流芯片LK2085的一些主要特点,以及目前所应用的领域,以及一些详细的方案应用图。希望能够大家认识到LK2085是一款怎样的单通道高压线性恒流芯片产品。
1. 这款单通道的高压线性恒流芯片产品LK2085使用的是具有hth网页版在线登录专利技术的恒流控制技术,通过外部连带着的电阻设置,能够控制电流在恒定的值内不变。
2. LK2085单通道高压线性恒流芯片产品内部集成了输入线电压补偿,在额定的宽电压输入范围内,通过外置的电阻控制功率的输出不变,就是恒功率的定义。
3. LK2085高压线性恒流芯片解决了LED高压灯条现在的温度过高,容易烧毁灯具的问题,就是因为LK2085芯片内部具有过温保护功能。能够很好的处理目前的这个问题。
4. LK2085单通道高压线性恒流芯片适合自动化生产,设计成本低,没有电解元器件。适合LED高压灯条厂商大批量生产。
Copyright © 2017-2021 hth官方网站 版权所有
QQ:41290014 电话:86 0755 2759 3052 E-mail:sale@linkage.cn