近几年,LED作为新型节能光源在全球和中国都赢得得了很高的投资热情和极大关注,并由户外向室内LED照明市场渗透,中国也涌现出大大小小上万家 LED照明企业。让LED照明大放异彩的最主要原因正是其宣扬的具有节能、环保、长寿命、易控制、免维护等特点。

而让LED照明产品具有节能、环保、长寿命、易控制、免维护等特点的一个重要的因素就是LED照明内部芯片的关系,户外灯光装饰照明的兴起,随之而来衍生的一种产品LED高压灯带产品就是具有高光效照明,芯片质量更加好的产品,并且LED高压灯带产品节能效果好,其应用的LED灯具内部承受的温度保护点增高。使得LED高压灯带慢慢的开始被关注起来。
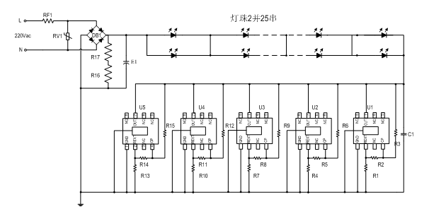
那么,能够被用在LED高压灯带产品中的芯片是什么样的芯片呢,是否是现在新型的高压线性恒流芯片产品?是的,运用在LED高压灯带设计方案中的芯片就是这一款单通道的高压线性恒流芯片SM2091E,我们在为LED灯具选用芯片的时候,首先想了解的就是能不能够解决该LED灯带产品目前面临的问题,就我们了解所知道,LED高压灯带目前的问题就是不能直接外接220V的交流电源,而是需要带一个变压器来对输入电压进行调整,不够简单便利。而且安装的长度不够长,传统的LED灯带能够应用的生活领域比较狭窄,没有温度保护功能,夏天的时候,LED灯带内部温度由于长时间的照明温度得不到散热解决,容易造成销毁。

所以我们再来把目光投到这款单通道的高压线性恒流芯片SM2091E的系统结构上,我们了解到的得知,高压线性恒流芯片SM2091E使用了hth网页版在线登录公司的专利恒流控制技术,维持输出电流的恒定,内部高度集成输入线补偿电压功能,不再为端口电压波动而影响到电流功率的输出。外围没有贴片电容,陶瓷电容这些电解元器件的存在,并且可以做到低PF无频闪恒功率方案,可以说是目前来看比较理想的一款芯片,SM2091E设计方案成本低,满足了大部分人的需求。也满足了LED灯带目前来说大批量的自动化生产需求。
因为LED高压灯带属于夜晚长时间照明的产品,所以要选用的芯片就必须是芯片内部必须要集成温度保护功能,也就是说芯片内部温度需要可控,这样才能保证高压线性恒流芯片SM2091E能够被用在高压灯带中,才能发挥高压线性恒流芯片SM2091E百分之八十五以上的功效。合理的选择芯片,用在合理的LED灯带产品上,才能做到资源的不浪费。
总的来说,高压线性恒流芯片SM2091E高压灯带方案性价比极高,想多了解的朋友不妨尝试一下。
Copyright © 2017-2021 hth官方网站 版权所有
QQ:41290014 电话:86 0755 2759 3052 E-mail:sale@linkage.cn