高可靠低THD高压线性恒流芯片是一种特殊的电子芯片,主要用于驱动高电压、低电流的LED灯串。这种芯片具有一系列优点,使其在许多应用中都表现出色。
首先,这种芯片的电流基准经过优化,能够满足THD(总谐波失真)<20%的需求。这意味着它的输出电流非常稳定,不会产生过多的谐波,从而保证了LED灯串的稳定和长寿命。
其次,这种芯片集成了700V高压MOS管和JFET高压供电功能,能够轻松通过440Vac高压和4kV雷击。这使得它在一些高电压、高雷电环境的场合中也能可靠工作。
此外,这种芯片的功率因数(PF)大于0.95,具有高功率因数特性。这有助于提高能源的利用率,减少能源浪费。
而且,这种芯片还具有过温保护功能。通过RTH引脚,可以使用普通电阻调整芯片的过温保护点。当芯片内部温度过高时,会自动减小输出电流,以降低灯具内部温度,避免因过温而损坏。
另外,这种芯片不需要使用电解电容和磁性元件,有助于实现小体积、长寿命的设计,并且符合EMI规定。在多芯片并联使用时,还可以节省跳线电阻,进一步降低成本。

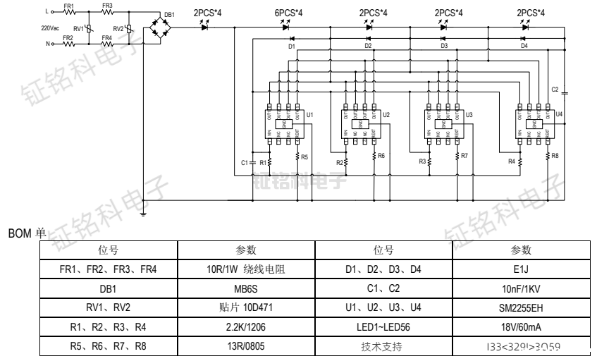
高可靠低THD高压线性恒流芯片SM2255EH型号介绍:
SM2255EH是一款应用于投光灯、工矿灯、LED照明灯等多种灯具中五段低THD、高功率因数LED线性恒流控制芯片,芯片集成了700V高压MOSFET,采用独特创新的器件工艺技术,具有优越的抗雪崩击穿及浪涌能力,在外围无保护器件时可通过600V雷击浪涌测试,内置过温保护功能,提升系统应用可靠性。
高可靠低THD高压线性恒流芯片SM2255EH型号特征:
支持输入电压: 120Vac/220Vac
芯片间输出电流偏差<士5%
700V高压MOS管,无需任何保护器件可通过600V雷击
PF>0.95,THD210%
可满足分次谐波IEC61000-3-2(C级
无需磁性元器件可满足EMI应用
具有过温调节功能
封装形式:ESOP8
高可靠低THD高压线性恒流芯片SM2255EH型号应用领域:
投光灯
工矿灯
灯具类 LED 照明
高可靠低THD高压线性恒流芯片SM2255EH型号应用电路图:

更多热门高可靠低THD高压线性恒流芯片推荐:
型号 (封装) | 通道数 | 耐压 | 最大输出电流 | 电流波 动范围 | 最大输 出功率 | 功率 因素 | 工作温度 | 应用领域 | 特征 |
| SM2255EH(ESOP8) | 5 | 700V | 50mA/60mA/80mA/ 100mA/115mA | ±5% | 10W | >0.9 | 145℃ | 投光灯、工矿灯 | 高可靠、低THD |
hth官方网站是一家从事18年LED驱动芯片IC方案供应商,主营LED线性恒流驱动芯片,ACDC和DCDC恒流恒压电源管理芯片。开发了LED芯片电源方案近5000款,经典方案98款,如果你也是做LED灯饰照明,小家电控制板,过欠压保护器,LED高低压灯带,LED幻彩灯带,LED景观亮化的工厂欢迎一起交流沟通!
Copyright © 2017-2021 hth官方网站 版权所有
QQ:41290014 电话:86 0755 2759 3052 E-mail:sale@linkage.cn